| 提交詢價信息 |
| 發布緊急求購 |
永嘉縣雙德閥門有限公司是一家集閥門研發,生產,銷售,售后為一體的綜合性高新技術企業。坐落于“中國泵閥之鄉”---永嘉縣甌北鎮。
D343H彈性硬密封蝶閥 產品結構
次硬密封蝶閥系列產品,系我公司新開發的長壽命、節能型蝶閥。其結構采用三維偏心原理設計,閥座采用硬軟密封兼容的多層次結構,加工精湛,工藝。本產品由閥體、蝶板、多層次閥座、閥桿、傳動機構等主要部件組成。
· D343H彈性硬密封蝶閥 特點
43H彈性硬密封蝶閥 采用的是三維偏心原理設計,使密封面的空間運動軌跡達到理想化,密封面相互之間無磨擦、無干涉,加之密封材料選擇得當,從而使蝶閥的密封性、耐腐蝕性、耐高溫性和耐磨性等得到了可靠的保證。其主要特點如下:
1、開啟力矩小,靈活方便,省力節能:
2、三維偏心結構,使蝶板越關越緊,其密封性能可靠,達到無泄漏:
3、耐高壓、耐腐蝕、耐磨損、使用壽命長等。
· D343H彈性硬密封蝶閥 主要技術參考數
|
公稱通徑 |
DN(mm) |
50-1600 |
||||
|
公稱壓力 |
PN(MPa) |
0.6 |
1.O |
1.6 |
2.5 |
4.0 |
|
試驗壓力 (MPa) |
強度試驗 |
0.9 |
1.5 |
2.4 |
3.75 |
6.0 |
|
密封試驗Seal test |
0.66 |
1.1 |
1.76 |
2.75 |
4.4 |
|
|
氣密封試驗Ai rTest |
0.6 |
0.6 |
0.6 |
0.6 |
0.6 |
|
|
適用介質 |
水、蒸氣、油品、酸類腐蝕性等。 |
|||||
|
適用溫度 |
碳鋼:-29%-425% 不銹鋼:-40%-600% |
|||||
· D343H彈性硬密封蝶閥 主要零件的材質
|
零件名稱 |
材料 |
|
閥體 |
鑄鐵、鑄鋼、不銹鋼、鉻鉬鋼、合金鋼 |
|
蝶板 |
鑄鋼、合金鋼(鍍硬鉻)、不銹鋼、鉻鉬鋼 |
|
閥座密封圈 |
不銹鋼、多層次、聚內脂、抗磨材料 |
|
閥桿 |
2Crl3、1Crl3不銹鋼、鉻鉬鋼2Crl3,1Crl3 |
|
填料 |
柔性石墨 |
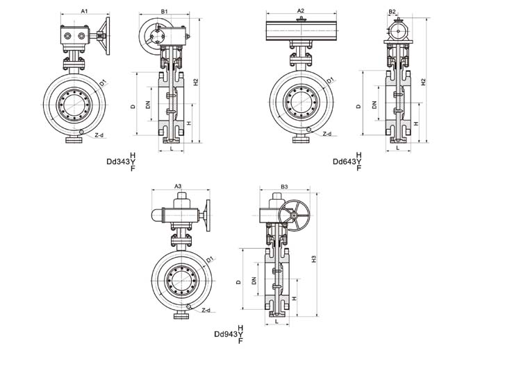
Dd3/643/9H/Y/F-40C.P.R.V系列法蘭式多層次金屬硬密封蝶閥
|
公稱通徑DN
|
結構長度(標準值)
|
外形尺寸(標準值)
|
連接尺寸(標準值)
|
||||||||||||
|
H
|
Dd373H
|
Dd673H
|
Dd973H
|
PN4.0MPa
|
|||||||||||
|
毫米
|
英寸
|
L
|
H1
|
A1
|
B1
|
H2
|
A2
|
B2
|
H3
|
A3
|
B3
|
D
|
D1
|
Z-d
|
|
|
50
|
2
|
108
|
112
|
350
|
180
|
200
|
|
|
|
530
|
250
|
255
|
165
|
125
|
4-18
|
|
65
|
21/2
|
112
|
115
|
370
|
270
|
280
|
625
|
250
|
170
|
530
|
250
|
255
|
185
|
145
|
8-18
|
|
80
|
3
|
114
|
120
|
380
|
270
|
280
|
625
|
250
|
170
|
565
|
250
|
255
|
200
|
160
|
8-18
|
|
100
|
4
|
127
|
138
|
420
|
270
|
280
|
645
|
250
|
170
|
600
|
250
|
255
|
235
|
190
|
8-22
|
|
125
|
5
|
140
|
164
|
460
|
380
|
420
|
675
|
250
|
170
|
640
|
250
|
255
|
270
|
220
|
8-26
|
|
150
|
6
|
140
|
175
|
555
|
380
|
420
|
715
|
450
|
220
|
705
|
300
|
315
|
300
|
250
|
8-26
|
|
200
|
8
|
152
|
200
|
760
|
400
|
425
|
800
|
450
|
220
|
115
|
300
|
315
|
375
|
320
|
12-30
|
|
250
|
10
|
165
|
243
|
830
|
400
|
425
|
850
|
450
|
220
|
945
|
300
|
315
|
450
|
385
|
12-33
|
|
300
|
12
|
178
|
250
|
895
|
450
|
560
|
925
|
560
|
280
|
1070
|
300
|
315
|
515
|
450
|
16-33
|
|
350
|
14
|
190
|
280
|
950
|
450
|
560
|
1035
|
650
|
280
|
1140
|
300
|
315
|
580
|
510
|
16-36
|
|
400
|
16
|
216
|
305
|
1190
|
535
|
580
|
1070
|
650
|
280
|
1210
|
300
|
315
|
660
|
585
|
16-39
|
|
450
|
18
|
222
|
350
|
1255
|
535
|
580
|
1190
|
650
|
280
|
1335
|
575
|
714
|
685
|
610
|
20-39
|
|
500
|
20
|
229
|
380
|
1305
|
535
|
580
|
|
|
|
1415
|
575
|
714
|
755
|
670
|
20-42
|
注:
法蘭標準GB/T9113.1-2000 GB/T911.5.1-2000 GB/T9113.2-2000 GB/T9115.2-2000
用戶注意:表中H1、H2、H3尺寸均可根據用戶需要加長(長桿蝶閥),本產品一般按短系列,若需長系列或特殊材料定貨時提出。
注:Dd-代表多層次密封結構。
訂貨須知:
免責聲明:以上所展示的[D343H 蝸輪法蘭蝶閥]信息由會員[永嘉縣雙德閥門公司]自行提供,內容的真實性、準確性和合法性由發布會員負責。