| 提交詢價信息 |
| 發布緊急求購 |
價格:電議
所在地:河南 鄭州市
型號:MPM482(0-1MPA)E22
更新時間:2021-10-18
瀏覽次數:1852
公司地址:中原區秦嶺路與建設路陽光新干線
![]()
張女士(女士)

位LCD現場顯示,同時輸出4~20mADC信號;|
量程編碼
|
0A
|
02
|
03
|
07
|
08
|
09
|
10
|
12
|
13
|
14
|
15
|
17
|
18
|
19
|
20
|
|
單位
|
kPa
|
MPa
|
|||||||||||||
|
測量范圍
|
0-10
~ 0-35 |
0-20
~ 0-70 |
0-30
~ 0-100 |
0-60
~ 0-200 |
0-100
~ 0-350 |
0-200
~ 0-700 |
0-0.3
~ 0-1.0 |
0-0.6
~ 0-2.0 |
0-1.0
~ 0-3.5 |
0-2.0
~ 0-7.0 |
0-3.0
~ 0-10.0 |
0-6.0
~ 0-20.0 |
0-10.0
~ 0-35.0 |
0-20.0
~ 0-70.0 |
0-30.0
~ 0-100.0 |
|
上限值
|
35
|
70
|
100
|
200
|
350
|
700
|
1.0
|
2.0
|
3.5
|
7.0
|
10.0
|
20.0
|
35.0
|
70.0
|
100.0
|
|
過范圍
|
100
|
100
|
150
|
300
|
500
|
1000
|
1.5
|
3.0
|
5.0
|
10.0
|
15.0
|
30.0
|
50.0
|
100.0
|
110.0
|
|
供電電源
|
20~40VDC
|
||||
|
輸出信號
|
4~20mADC(兩線制)
|
||||
|
基本誤差
|
zui小值
|
典型值
|
zui大值
|
單位
|
|
|
非線性
|
0A~03編碼
|
0.25
|
0.5
|
zui大量程的±%
|
|
|
07~20編碼
|
0.1
|
0.25
|
0.5
|
zui大量程的±%
|
|
|
遲滯
|
0A~03編碼
|
0.15
|
0.25
|
zui大量程的±%
|
|
|
07~20編碼
|
0.05
|
0.1
|
0.15
|
zui大量程的±%
|
|
|
重復性
|
0A~03編碼
|
0.25
|
0.5
|
zui大量程的±%
|
|
|
07~20編碼
|
0.05
|
0.15
|
0.25
|
zui大量程的±%
|
|
|
溫度影響
|
0A~03編碼
|
0.5
|
1
|
2
|
zui大量程的±%,參比25℃
|
|
07~20編碼
|
0.3
|
0.5
|
1
|
zui大量程的±%,參比25℃
|
|
|
過范圍
|
0A~03編碼
|
0.5
|
zui大量程的±%
|
||
|
07~20編碼
|
0.3
|
zui大量程的±%
|
|||
|
電源影響
|
0.1
|
zui大量程的±%20~40VDC
|
|||
|
負載影響
|
0.1
|
zui大量程的±%
|
|||
|
穩定性
|
0.3
|
zui大量程的±%/年
|
|||
|
單位
|
參比條件
|
額定條件
|
運輸條件
|
貯存條件
|
|
|
環境溫度
|
℃
|
25±2
|
-10~60
|
-40~100
|
-40~120
|
|
介質溫度
|
℃
|
25±2
|
-30~80
|
||
|
相對濕度
|
%
|
60~70
|
0~100
|
0~100
|
≤85
|
|
大氣壓力
|
kPa
|
86~106
|
|||
|
振動頻率
|
Hz
|
1~300
|
|||
|
加 速 度
|
×9.81ms-2
|
≤0.1
|
≤3
|
||
|
振幅
|
mm
|
≤0.13
|
|||
|
沖擊
|
×9.81ms-2
|
10
|





|
變送器防爆參數
|
安全柵輸出防爆參數
|
|
Ui≤28VDC
Ii≤93mADC
Li≈0mH
Ci≈0.042uF
Pi≤0.65W
|
Uo≤28VDC
Io≤93mADC
Po≤0.65W
|
|
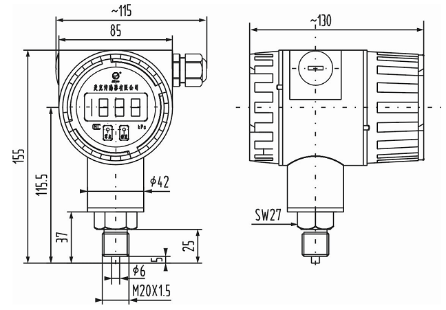
MPM482
|
型LCD數字顯示壓力變送器
|
||||||
|
代號
|
測量范圍
|
||||||
|
X[0~X]
kPa或MPa
|
0A[0~10…35]kPa
|
13[0~1.0…3.5]MPa
|
|||||
|
02[0~20…70]kPa
|
14[0~2.0…7.0]MPa
|
||||||
|
03[0~30…100]kPa
|
15[0~3.0…10.0]MPa
|
||||||
|
07[0~60…200]kPa
|
17[0~6.0…20.0]MPa
|
||||||
|
08[0~100…350]kPa
|
18[0~10.0…35.0]MPa
|
||||||
|
09[0~200…700]kPa
|
19[0~20.0…70.0]MPa
|
||||||
|
10[0~0.3…1.0]MPa
|
20[0~30.0…100.0]MPa
|
||||||
|
12[0~0.6…2.0]MPa
|
|||||||
|
代號
|
輸出信號
|
||||||
|
E
|
4~20mADC
|
||||||
|
代號
|
結構材料
|
||||||
|
隔離膜片
|
接口
|
殼體
|
電子殼體
|
||||
|
22
|
不銹鋼316L
|
不銹鋼
|
不銹鋼
|
鋁合金
|
|||
|
25
|
鉭
|
不銹鋼
|
不銹鋼
|
鋁合金
|
|||
|
35
|
鉭
|
哈氏合金C
|
不銹鋼
|
鋁合金
|
|||
|
代號
|
附加功能
|
||||||
|
P
|
齊平膜片型 0~70kPa…35MPa,G1/2外螺紋壓力接口
|
||||||
|
i
|
本安防爆型ExiaⅡCT6
|
||||||
|
T
|
船用產品
|
||||||
|
C1
|
M20×1.5外螺紋壓力接口,端面密封
|
||||||
|
C3
|
G1/2外螺紋壓力接口
|
||||||
|
C5
|
M20×1.5外螺紋壓力接口,水線密封
|
||||||
|
A
|
壓型
|
||||||
|
S
|
密封表壓型
|
||||||
|
G
|
表壓型
|
||||||
|
MPM482
|
02[0~70]kPa
|
E
|
22
|
iC3G
|
完整的型號規格
|
||
免責聲明:以上所展示的[MPM482(0-1MPA)E22 MPM482數顯壓力傳感器]信息由會員[陜西麥克技術工程有限公司]自行提供,內容的真實性、準確性和合法性由發布會員負責。