產品簡介
適用于空氣、氣體等中性氣體和潤滑油、輕燃油等液體介質
公司簡介
金湖宏程自動化儀表有限公司座落在美麗富饒的高郵湖畔,有“天下第一荷花”美稱的魚米之鄉——金湖境內,交通方便,東臨京滬高速、西靠寧連高速、鹽金線貫穿境內。主要從事
js/product.asp?bigclass=流量儀表系列">流量計、
js/product.asp?bigclass=物位儀表系列">
液位計、
js/product.asp?bigclass=變送器系列">
變送器、
js/product.asp?bigclass=壓力儀表系列">
壓力表、
js/product.asp?bigclass=溫度儀表系列">溫度計、
js/product.asp?bigclass=溫度儀表系列">
熱電偶、
js/product.asp?bigclass=溫度儀表系列">
熱電阻、
js/product.asp?bigclass=二位式控制器系列">控制器等系列產品的研發、生產、銷售、服務工作。
熱銷產品:js/index.asp">金屬轉子流量計,js/index.asp">磁翻板液位計,js/index.asp">雙色石英管液位計,js/index.asp">壓力校驗儀,js/product.asp?bigclass=二位式控制器系列">壓力控制器。
展開
產品說明
|
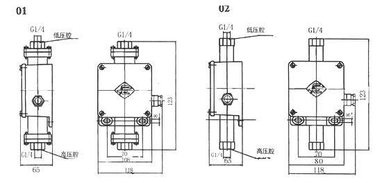
CPK-500差壓控制器采用膜片式傳感器,適用于空氣、氣體等中性氣體和潤滑油、輕燃油等液體介質。差壓控制器CPK-500的差壓設定值可調,調節范圍0.012-7Mpa。
單刀雙擲微動開關作用過程:
接線端1-3:壓力上升至上切換值時接通。
接線端1-2:壓力上升至上切換值時斷開。
|
|
|
|
|
◇ CPK-500主要技術性能:
環境溫度:-25~80℃
介質溫度:0~80℃
外殼防護等級:IP65
重復性誤差:1.5%
|
抗震性能:10m/s2
觸點容量:AC 220V 6A 600W(阻性)
安裝位置:H(高壓腔)接口垂直向下
(允許傾斜15o)
|
|
|
|
◇ CPK-500規格:
|
|
● 切換差不可調
|
|
設定值
調節范圍 Mpa
(Kpa)
|
切換差
Mpa
|
zui大
工作壓力
Mpa
|
開關切換次數
次/分
|
壓力傳感器材料
|
接口
內螺紋
|
外形尺寸
|
|
外殼
|
膜片
|
|
(12……55)
|
7
|
2.5
|
10
|
黃銅
|
聚酰
亞胺
|
G1/4"
|
01
|
|
0.02……0.35
|
10
|
|
0.03……0.1
|
17
|
3.4
|
1Cr18Ni9Ti
不銹鋼
|
02
|
|
0.03……0.4
|
17
|
|
0.03……0.7
|
21
|
|
0.06……0.2
|
21
|
7
|
|
0.1……1
|
25
|
|
0.1……0.4
|
3
|
|
0.24……2.6
|
50
|
|
0.4……1.0
|
140
|
14
|
|
0.7……7.0
|
|
|
|
|
◇ CPK-500設定值的調整:
|
在高壓(H)接口處輸入高壓源,在低壓(L)接口處輸入低壓源。
[例]:選用差壓設定值調節范圍為0.02~0.35Mpa的控制器,要求將壓力上升至0.2Mpa(上切換值)發出報警信號,其操作步驟如下:
1. 將控制器的高壓接口旋入壓力校驗臺,并使開關接線座接上信號源。 
2. 將壓力上升至0.2Mpa,此值可從標準壓力計中讀出。
3. 以19mm六角螺釘扳手調整設定值調節螺釘,使差壓設定值增大,0.2Mpa附近切換。
4. 改變壓力值,使壓力在0.2Mpa上下來回變化,檢驗開關觸點的上切換值是否是0.2Mpa,此時下切換值應是0.2Mpa減去切換差(0.01Mpa左右),等于0.19Mpa左右。
5. 在高壓端、低壓端同時輸入高、低壓信號,觀察其差壓是否為 0.2Mpa(若用戶受調試設備的限制,此步驟可免做)。
|
|
◇ CPK-500選用和安裝:
|
|
● 通斷電流不能大于額定值(當觸點動作頻繁時,不超過額定值的60%)。。
● 安裝在室外時,應給予足夠的防護,以免受腐蝕性氣體、劇烈變化的環境溫度、太陽輻射、水滲入等。
● 對有壓力峰值及脈沖壓力的介質,可安裝阻尼器以消除脈沖干擾。
● 安裝壓力接口時,應夾持控制器接口的外六角接口處,防止控制器殼體與高、低接頭發生松動,影響控制器性能。
● 高低壓接口不能接反,否則控制器不動作
|
|
本頁產品地址:http://www.521uz.com/sell/show-2149230.html