公司簡介
|
金湖順儀儀表有限公司是專業的工業自動化儀表生產企業, 生產多個類型的溫度儀表、壓力儀表、顯示儀表、校驗儀表、流量儀表、儀表盤、線纜橋架以及儀表專用電纜、補償導線等。我廠座落在風景秀麗的漁米之鄉--江蘇省金湖縣,毗鄰揚州、南京,交通十分便利,經過多年的積累,我廠現已發展成為集生產、銷售、研發為一體的綜合性儀表生產廠家。
我公司自成立以來,本著“以科技創造奇跡”的經營理念,堅持“與巨人同步”的發展戰略,在短短的時間內取得了驕人的業績和長足的發展。以科技為先導,以客戶價值為依托,有包括您在內的社會各界的一如既往的支持,我們相信,我司一定會成為您事業的助推器。
在網絡發展"高速化、數字化、綜合化、智能化"的今天,我司將以"誠信、創新、高效、進取"的企業精神。我們愿意通過現代化網絡手段,為社會各界提供一個更為快捷方便的服務渠道。
當今企業在市場經濟大潮中,直接面臨著知識經濟和商品經濟的雙重壓力,此種情況既給企業創造更多更好的機會,同時也使企業面臨更大的風險和挑戰!著眼現在,瞄準將來,我們將以過硬的產品質量、良好的企業信譽、誠信的售后服務,創造更加美好的明天。
展開
產品說明
|
產品名稱:磁助電接點壓力表
|
 |
|
 |
|
放大圖片
|
|
 |
產品介紹:
|
 |
| 磁助電接點壓力表廣泛應用于石油、化工、冶金、電站等工業部門或機電設備配套中測量無爆炸危險的各種流體介質的壓力。通常,磁助電接點壓力表經與相應的電氣器件(如繼電器及接觸器等)配套使用,即可對被測(控)壓力系統實現自動控制和發信(報警)的目的。 |
|
 |
詳細內容:
|
 |
|
SY-YXC系列磁助電接點壓力表:
為能適應被測對象的各異和需求,磁助電接點壓力表在原有普通型和專用型的基礎上,又相繼研制了抗振型、耐蝕型、耐蝕抗振型以及帶有隔離裝置等多種類型共10多種型號的產品。廣泛應用于石油、化工、電站、冶金等工業部門,在環境較為惡劣和有耐腐要求的場合中測量無爆炸危險的各種流體介質的壓力。儀表經與相應的電氣器件配套使用,可達到對被測壓力系統實現自動控制和發信(報警)的目的。

鑒于磁助電接點壓力表不僅具有設計新穎、結構可靠、品種規格齊全、動作穩定性好、適應性強的特點外,而且又具有測控并茂、安裝簡單、維護量小等優點,因此,磁助電接點壓力表是一般無指示、無切換差調整和無外設定裝置的壓力控制器所無可比擬的壓力測控儀表。
主要技術指標及功能
· 磁助電接點壓力表標度范圍、精確度等級及接頭螺紋尺寸
|
類 型
|
型 號
|
名稱(含全稱
或簡稱)
|
標度范圍
MPa
|
精確度等級
|
接頭螺紋
尺寸
|
|
指示
|
設定值
|
|
接通
|
斷開
|
|
普通型
|
YXC-100
*YXC-102
YXC-103
|
磁助電接點壓力表
|
0~0.6至60及-0.1~0.06至2.4系列
|
1.5
|
1.5
|
4
|
M20×1.5
(*G3/8″)
(*G1/2″)
|
|
YXC-150
*YXC-153
|
0~0.1至60及-0.1~0至2.4系列
|
|
專用型
|
YXCA-150
|
磁助電接點氨壓力表
|
0~0.16至60及-0.1~0.06至2.4系列
|
2.5
|
2.5
|
4
|
|
抗振型
|
YXC-100-Z
*YXC-102-Z
YXC-103-Z
|
磁助電接點壓力表
|
0~0.6至60及-0.1~0.5至2.4系列
|
1.5
|
1.5
|
5
|
|
耐蝕型
|
*YXC-100B-F
*YXC-102B-F
*YXC-103B-F
*YXC-150B-F
*YXC-152B-F
|
0~0. 6至60及-0.1~0.06至2.4系列
|
1.5
|
1.5
|
4
|
|
耐蝕抗振型
|
*YXC-100B-FZ
*YXC-102B-FZ
*YXC-152B-FZ
*YXC-153B-FZ
|
0~0. 6至60及-0.1~0.5至2.4系列
|
1.5
|
1.5
|
5
|
|
隔離式普通型
隔離式耐蝕型
|
YXCG-103
*YXCG-103-F
|
隔離式磁助電接點壓力表
|
0~0. 16至60及-0.1~0.06至2.4系列
|
1.5
|
1.5
|
4
|
M42×2
(*G1 1/4″)
|
|
隔離式抗振型
|
YXCG-103-Z
|
0~0. 6至60及-0.1~0.5至2.4系列
|
1.5
|
1.5
|
5
|
|
隔離式耐蝕抗振型
|
*YXCG-103-FZ
|
注:1)標有“*”的型號暫限于特殊訂貨
2)隔離式的軟尾長度為1、2、3、4m(其中2m為優選長度)
|
電接點壓力表適用于測量對銅合金無腐蝕、無爆炸危險、非結晶的各種液體、氣體等介質壓力。儀表經與相應的電氣器件配套使用,可達到對被測壓力系統實現預先設定的zui大或zui小壓力值的雙位自動控制和發信(報警)的目的。
儀表具有測量控制功能,可任意設定上、下限值,動作穩定可靠,在石油、化工、電站、冶金等工業企業及機電設備上廣泛配套使用。
|
|
結構原理
|
|
儀表由測量系統、指示裝置、磁助電接點裝置、外殼、調節裝置及接線盒等組成。
當被測壓力作用于彈簧管時,其末端產生相應的彈性變形一位移,經傳動機構放大后,由指示裝置在度盤上指示出來。同時指針帶動電接點裝置的活動觸點與設定指針上的觸頭(上限或下限)相接觸的瞬時,致使控制系統接通或斷開電路,以達到自動控制和發信報警的目的。
在電接點裝置的電接觸信號針上,裝有可調節的磁鋼,可以增加接點吸力,加快接觸動作,從而使觸點接觸可靠,消除電弧,能有效地避免儀表由于工作環境振動或介質壓力脈動造成觸點的頻繁關斷。所以該儀表具有動作可靠、使用壽命長、觸點開關功率較大等優點。
● 接點裝置電氣參數及控制形式
|
| 觸頭功率 |
zui高工作電壓 |
zui大工作電流
|
控制形式 |
| 30VA(阻性負載) |
220VDC或380VAC |
1A |
上下限、雙上限、雙下限 |
|
| 型號表示 |
|
|
|
|
|
SY-YXC-100
|
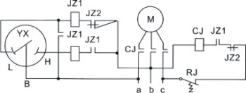
| 電氣電路連接示意圖 |
|
|
圖中:JZ1、JZ2—繼電器及觸點
CJ—接觸器及觸點 RJ—熱繼電器
M—電機 YX—電接點壓力表
L—下限接點(綠) H—上限接點(紅)
B—公共接點(黃) |
|
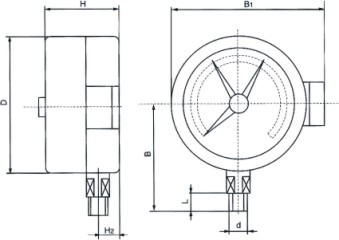
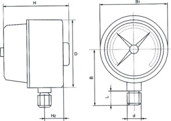
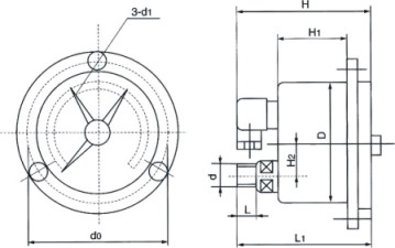
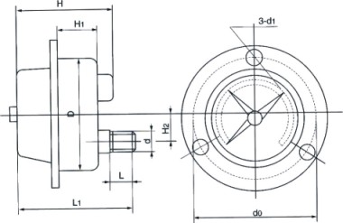
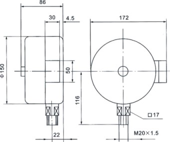
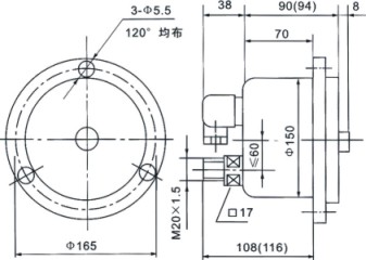
外形尺寸
|
|

SY-YXC-100(1)、SY-YXC-150(1)

SY-YXC-100(2)、SY-YXC-150(2)
|
|

SYYXC-100(1)ZT、SY-YXC-150(1)ZT

SY-YXC-100(2)ZT、SY-YXC-150(2)ZT
|
|

SY-YXC-150、SY-YXCA-150

SY-YXC-153
|
| 型號 |
D |
H |
H1 |
H2 |
d0 |
d |
d1 |
B |
B1 |
L |
L1 |
|
SY-YXC-60
|
φ60 |
46 |
|
13 |
|
M14×1.5 |
|
56 |
72 |
14 |
|
|
SY-YXC-100
|
φ100 |
95 |
|
17 |
|
M20×1.5 |
|
87 |
121 |
20 |
|
|
SY-YXC-100ZT
|
φ100 |
96 |
33 |
30 |
118 |
M20×1.5 |
5.5 |
|
|
20 |
115 |
|
SY-YXC-150
|
φ150 |
78 |
40 |
17 |
165 |
M20×1.5 |
5.5 |
113 |
150 |
20 |
|
|
SY-YXC-150ZT
|
φ150 |
78 |
40 |
30 |
165 |
M20×1.5 |
5.5 |
113 |
150 |
|
|
|
|
本頁產品地址:http://www.521uz.com/sell/show-193215.html

免責聲明:以上所展示的[
SY-YXC 電接點壓力表]信息由會員[
江蘇順儀儀表有限公司]自行提供,內容的真實性、準確性和合法性由發布會員負責。
[給覽網]對此不承擔任何責任。
友情提醒:為規避購買風險,建議您在購買相關產品前務必確認供應商資質及產品質量!