


一、金屬管浮子流量計概述
SY-LZ系列金屬管浮子流量計是基于浮子位置測量的一種變面積流量儀表。采用全金屬結構、Modular概念設計,因其具有體積小、壓損小、量程比大(10:1)、安裝維護方便等特點,故廣泛應用于各行業復雜、惡劣環境下、對小流量、低流速、各種苛刻介質條件的流量測量與過程控制。
SY- LZ系列金屬管浮子流量計的系列產品,針對不同的用戶需求、不同場合,有多種測量形式供用戶可選;按輸出形式分有就地指示型、遠傳輸出型、控制報警型,按輸出形式分有就地指示型、遠傳輸出型、控制報警型;按防爆要示分類,又可分為普通型、本質安全型、隔離防爆型三種。
SY- LZ系列金屬管浮子流量計采用了國際先進的 Honeywell無接觸檢測磁場角度變化的磁測傳感器、并配以Motorola微處理系統,可實現液晶指示、累積、遠傳輸出(4-20Ma)、脈沖輸出、上下限報警輸出等功能,該型智能信號變送器具有及高的精度和可靠性,完全可以取代進口同類型儀表,且具有性價比高、多參數標定、掉電保護等到特點。
SY- LZ系列金屬管浮子流量計的設計制作還考慮了用戶工藝流向要求,有SY50垂直安裝式、SY51上進下出安裝式、SY52側進側出安裝式、SY53底進側出安裝式、SY54螺紋連接式、SY56R/L水平安裝式等安裝方式可選。
二、金屬管浮子流量計原理:
SY-LZ系列金屬管浮子流量計由二部分組成:
傳感器———測量管及浮子;
信號變送器———指示器;
傳感器的觸液材質有四種:不銹鋼、哈氏合金、鈦材、不銹鋼襯PTFE;用戶可根據不同的觸液材質,來滿足工藝的耐壓及介質防腐的需要。根據不同的測量要求,用戶在選型時,可以選擇不同的指示器組合,來實現不同的測量要求。 流量的測量是由指示器內的變送器通過耦合磁鋼感受浮子位置的變化來完成流量的指示和信號的遠傳輸出的。當被測介質自下而上流經測量管時,浮子受重力、浮力及流體流速對浮子垂直向上的推動力三者平衡時,浮子即相對而言靜止在某個位置,這個位置隨浮子與錐管的環面積、流體流速而變化,浮子的位置即對應被測介質流量的大小。
三、金屬管浮子流量計特點
◇模塊化組合設計,維修方便,正常使用免維護
◇單軸、非接觸新型磁耦全結構,信號傳輸更穩定
◇雙行、大屏幕液晶顯示瞬時、累計流量,可帶背光
◇智能型具有掉電保護、數據備份及恢復功能
◇全金屬結構,抗震、耐壓、耐溫、防腐
◇短行程、總主250mm,設計安裝更方便
四、 金屬管浮子流量計技術參數
測量范圍:水(20℃)1-200000 l/h 空氣(20℃,0.1013MPa)0.03-4000m3/h 參見流量表,特殊流量可訂制
量程比:標準型10:1 特殊型20:1
精度: 標準型1.5級 特殊型1.0級
壓力等級:標準型: DN15-DN50 4.0MPa DN80-DN200 1.6MPa
特殊型: DN15-DN50 25MPa DN80-DN200 16MPa
夾套的壓力等級為1.6MPa
特殊型在選型和訂貨前應與工廠協商
壓力損失:7kPa-70kPa
介質溫度:標準型:-80℃-+200℃:PTFE:0℃-85℃
高溫型:zui高可達400℃
介質粘度:DN15: <5mPa.s(F15.1-F15.3)
<30mPa.s(F15.4-F15.8)
DN25: <250mPFa.s
DN50-DN150: <300mPa.s
環境溫度:液晶型-30℃-+85℃
指針型-40℃-+120℃
連接形式:標準型:DIN2501標準法蘭
特殊型:由用戶的任意標準法蘭或螺紋
電纜接口:M20*1.5
供電電源:標準型24VDC二線制4-20mA(10.8VDC-36VDC)
交流型:85-265VAC 50HZ
電池型:3.6V@4AH鎳氫電池
報警輸出:上限或下限瞬時流量報警
標準型:集電極開路輸出(zui大100mA@30VDC內部阻抗100歐)
特殊型:繼電器輸出(觸點容量zui大5A@250VAC)
脈沖輸出:累積脈沖輸出,zui小間隔50毫秒
液晶顯示:瞬時流量顯示數值范圍:0-50000
累計流量顯示數值范圍:0-99999999
防護等級:IP65
防爆標志:本安型iaⅡCT6 隔爆型dⅡCT6
檢測原理:
金屬管浮子流量計檢測部分是由一個自下向上擴張的垂直錐形管和一個沿著錐形管軸可以上下自由移動的浮子組成。工作原理如圖1所示,被測流體從下向上經過錐管和浮子形成的環隙時,浮子上、下端產生差壓形成浮子上升的力,當浮子所受上升力大于浸在流體中浮子重量時,浮子便上升,環隙面積隨之增大,環隙處流體流速立即下降,浮子上下端差壓降低,作用于浮子的上升力亦隨著減少,直到上升力等于浸在流體中浮子重量時,浮子便穩定在某一高度。浮子在錐管中高度和通過的流量有著對應關系。
體積流量Q的基本方程式為:
式中α 儀表的流量系數,因浮子形狀而異;
ε 被測流體為氣體時氣體膨脹系數,通常由于此系數校正量很小而被忽略,且通過校驗已將它包括在流量系數內,如為液體則ε= 1
△F 流通環形面積,m2 ;
g 當地重力加速度,m/s2;
Vf 浮子體積,如有延伸體亦應包括,m3;
ρf 浮子材料密度,kg/m3;
ρ 被測流體密度,如為氣體是在浮子上游橫截面上的密度,kg/m3;
Ff 浮子工作直徑(zui大直徑)處的橫截面,m2;
Gf 浮子重量,kg。
流通環形面積與浮子高度之間的關系如式(3)所示,當結構設計已定,則d、β為常量。
式中有h的二次項,一般不能忽略此非線性關系,只有在圓錐角很小時,才可視為近似線性。

式中d 浮子zui大直徑(即工作直徑),m;
h 浮子從錐管內徑等于從浮子zui大直徑處上升高度,m;
β 錐管的圓錐角;
a、b 為常數
從(1),(2),(3)公式可知,在一定的條件下,浮子在錐管內的高度與體積流量有一定的比例對應關系。讀出浮子的高度,就可以知道相對應的體積流量,再通過轉換器,將浮子的高度轉換成所對應的體積流量所對應的刻度,這就是金屬管浮子流量計的檢測原理。
轉換指示器
轉換器實際上是將錐管內浮子的高度轉換成所對應的體積流量的刻度。從輸出信號來分:有就地顯
示型和遠傳信號輸出型:
就地顯示型:由就地指示器中的隨動磁鋼與浮子內磁鋼耦合,而發生轉動,同時電動指針通過刻度盤指示出此時流量
智能遠傳型,由智能型指示器中的隨動磁鋼與浮子內磁鋼耦合,而發生轉動,同時帶動傳感磁鋼及指針,通過一個磁傳感器將磁場變化轉化成電信號,經A/D轉換,數字濾波,微處理器處理,D/A輸出,LCD液晶顯示,來顯示出瞬時流量及累積流量大小。(如下圖所示)

式中α 儀表的流量系數,因浮子形狀而異;
ε 被測流體為氣體時氣體膨脹系數,通常由于此系數校正量很小而被忽略,且通過校驗已將它包括在流量系數內,如為液體則ε= 1
△F 流通環形面積,m2 ;
g 當地重力加速度,m/s2;
Vf 浮子體積,如有延伸體亦應包括,m3;
ρf 浮子材料密度,kg/m3;
ρ 被測流體密度,如為氣體是在浮子上游橫截面上的密度,kg/m3;
Ff 浮子工作直徑(zui大直徑)處的橫截面,m2;
Gf 浮子重量,kg。
流通環形面積與浮子高度之間的關系如式(3)所示,當結構設計已定,則d、β為常量。
式中有h的二次項,一般不能忽略此非線性關系,只有在圓錐角很小時,才可視為近似線性。
式中d 浮子zui大直徑(即工作直徑),m;
h 浮子從錐管內徑等于從浮子zui大直徑處上升高度,m;
β 錐管的圓錐角;
a、b 為常數
從(1),(2),(3)公式可知,在一定的條件下,浮子在錐管內的高度與體積流量有一定的比例對應關系。讀出浮子的高度,就可以知道相對應的體積流量,再通過轉換器,將浮子的高度轉換成所對應的體積流量所對應的刻度,這就是
金屬管浮子流量計的檢測原理。
轉換指示器
轉換器實際上是將錐管內浮子的高度轉換成所對應的體積流量的刻度。從輸出信號來分:有就地顯
示型和遠傳信號輸出型:
就地顯示型:由就地指示器中的隨動磁鋼與浮子內磁鋼耦合,而發生轉動,同時電動指針通過刻度盤指示出此時流量
智能遠傳型,由智能型指示器中的隨動磁鋼與浮子內磁鋼耦合,而發生轉動,同時帶動傳感磁鋼及指針,通過一個磁傳感器將磁場變化轉化成電信號,經A/D轉換,數字濾波,微處理器處理,D/A輸出,LCD液晶顯示,來顯示出瞬時流量及累積流量大小。(如下圖所示)
金屬管浮子流量計的口徑、浮子號及刻度的計算
1、計算方法
(1) 根據用戶給出的數據,選擇適當的公式計算相應標校介質的流量Qs:
其中:Qs-標校介質(水或空氣)在標準狀態下(20℃,0.1013Mpa)的流量
Q-用戶介質流量 K-修正系數
(2)根據計算得到的 Qs值,查流量表來確定選用的浮子號及測量管的口徑(流量表中的數值都是水或空氣在標準狀態下的流量值)
(3)確定測量管口徑和浮子號后,建議用下式確定被測介質流量刻度的上限值Q:
其中:Qi查流量表中選取某一浮子號對應的水或空氣流量的zui大值。
(4)由于計算中沒有考慮粘度的修正,有可能與工廠計算的結果產生差異。
2、修正系數K的確定
(1)對于液體介質
a、如果Q是液體體積流量則用下式計算K:
b、如果Q是液體質量流量則用下式計算K:
其中:ρf:所選浮子密度(g/cm3)
不銹鋼浮子密度為7.8
聚四氟乙烯浮子(PTFE)密度為3.4
鎳基合金(Hastelloy)密度為8.3
ρ:被測介質的密度
(2)對于氣體體介質
a、如果Q是標準狀態下(20℃,0.1013Mpa)氣體的體積流量,則用下式計算K:
b、如果Q是操作狀態下氣體的體積流量,則用下式計算K:
c、如果Q是氣體的質量流量,則用下式計算K:
在以上各式中:
ρ: 被測介質的密度:被測氣體介質在20℃,0.1013MPa狀態下密度(kg/m3)
P:被測氣體介質的壓力(MPa)
T:被測氣體介質的溫度(K)
ρ0:空氣在20℃,0.1013MPa情況下密度(1.205kg/m3)
P 0:標校介質的壓力(0.1013MPa)
T 0:標校介質的溫度(293.15K)
d、輔助密度換算公式
其中:ρst: 被測氣體介質在標準狀態下密度(Kg/m3)
ρt: 被測氣體介質在操作狀態下密度(Kg/m3)
Tt: 被測氣體介質在操作狀態下溫度(K)
Pt:被測氣體介質在操作狀態下壓力(MPa)
p0:被測氣體介質在標準狀態下壓力(MPa)
T0:被測氣體介質在操作狀態下溫度(K)
金屬管浮子流量計的結構
1、高溫型結構(G)
高溫結構型(G型)是用于介質溫度過高或過低而需要對測量管采取保溫隔熱措施的介質的流量測量。高溫型結構是加大了測量管與指示器之間的距離來增加散熱、增加隔熱材料厚度,保證指示器工作在允許的環境溫度范圍內。選型為"G"型。
G型金屬管浮子流量計可以測量溫度達-80℃-+300℃的介質的流量。
2、帶阻尼器裝置的結構(Z)
阻尼器結構型用于流量計入口流量(壓力)不穩定時的介質流量測量,特別是對于氣體的測量。它的結構如圖所示.

3、夾套型結構(T)
夾套型結構用于對需要伴熱或冷卻(如高粘度和易結晶)的介質的流量測量。在夾套中通過加熱或冷卻介質,使低沸點、低凝固點流體不汽化和不結晶。
伴熱介質的導入和導出連接,標準型要用HG20594-97 DN15 PN1.6法蘭,其它的法蘭規格連接可與生產廠標明,夾套的壓力等級為1.6MPa.
夾套型金屬管流量計結構見FA標準型流量計法蘭、外形尺寸圖。
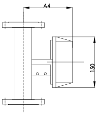
4、高壓型結構(Y型)
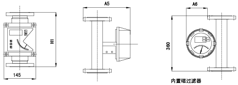
高壓型結構用于被測介質壓力大于標準的壓力等級的流量測量。高壓型結構如下圖所示。目前LZ系列的zui高壓力可以達到32MPa。另外高壓型
流量計可提供內置磁過濾器型,安裝高度均為350mm。FA、FB和FC型zui大壓力為10MPa.
高壓型外形尺寸及重量
注:1、G為儀表重量(kg)
金屬管浮子流量計安裝示意圖
金屬管浮子流量計的安裝注意事項
為了能讓金屬管浮子流量計正常工作且能達到一定的測量精度,在安裝流量計時要注意以下幾點:
·金屬管浮子流量計必須垂直安裝在無振動的管道上。流體自下而上流過流量計,且垂直度優于2°,水平安裝時水平夾角優于2°;
·為了方便檢修和更換流量計、清洗測量管道,安裝在工藝管線上的金屬管浮子流量計應加裝旁路管道和旁路閥;
·金屬管浮子流量計入口處應有5倍管徑以上長度的直管段,出口應有250mm直管段;
·如果介質中含有鐵磁性物質,應安裝磁過濾器;如果介質中含有固體雜質,應考慮在閥門和直管段之間加裝過濾器;
·當用于氣體測量時,應保證管道壓力不小于5倍流量計的壓力損失,以使浮子穩定工作;
·為了避免由于管道引起的流量計變形,工藝管線的法蘭必須與流量計的法蘭同軸并且相互平行,管道支撐以避免管道振動和減小流量計的軸向負荷,測量系統中控制閥應安裝在流量計的下游:
·測量氣體時,如果氣體在流量計的出口直接排放大氣,則應在儀表的出口安裝閥門,否則將會在浮子處產生氣壓降而引起數據失真。
·安裝PTFE襯里的儀表時,法蘭螺母不要隨意不對稱擰得過緊,以免引起PTEF襯里變形;
·帶有液晶顯示的儀表,要盡量避免陽光直射顯示器,以免降低液晶使用壽命;帶有鋰電池供電的儀表,要盡量避免陽光直射、高溫環境(≥65℃)以免降低鋰電池的容量和壽命。
五、金屬管浮子流量計產品選型
|
代號
|
測量管結構
|
|
SY-50
|
下進上出
|
|
SY-51
|
下進上橫出
|
|
SY-52
|
下橫進上橫出
|
|
SY-53R
|
右進左出
|
|
SY-53L
|
左進右出
|
| |
代號
|
接液材質
|
|
R0
|
0Cr18Ni2Mo2Ti
|
|
R1
|
1Cr18Ni9Ti
|
|
Rp
|
PTFE
|
|
T1
|
鈦合金
|
|
Rl
|
316L
|
| |
代號
|
管道口徑
|
|
DN15
|
15
|
|
DN25
|
25
|
|
DN50
|
50
|
|
DN80
|
80
|
|
DN100
|
100
|
|
DN150
|
150
|
|
DN200
|
200
|
| |
代號
|
附加結構
|
|
無
|
|
|
T
|
夾套型
|
|
Z
|
阻尼型
|
|
G
|
高溫型
|
|
Y
|
高壓型
|
| |
代號
|
指示器形式代碼組合
|
|
M1
|
就地指示器,機械指示瞬時流量
|
|
M2
|
供電型,機械指示瞬時流量,液晶顯示瞬時/累積流量
|
|
M3
|
供電型,無機械指示,液晶顯示瞬時/累積流量
|
| |
代碼
|
供電方式
|
|
無
|
只限M1指示器
|
|
A
|
220VAC,4-20mA輸出
|
|
B
|
電池供電,無輸出
|
|
C
|
24VDC,二線制供電,4-20mA輸出
|
|
D
|
24VDC,三、四線制供電,4-20mA輸出
|
| |
代號
|
防爆標志
|
|
l
|
本安iaCT5方型殼體
|
|
d
|
隔爆Diibt4園殼體
|
| |
代號
|
報警或脈沖輸出
|
|
無
|
無報警或脈沖輸出
|
|
K1
|
上限報警或一路脈沖輸出
|
|
K2
|
下限報警或一路脈沖輸出
|
|
K3
|
上、下限報警或雙路脈沖輸出
|
六、參考流量