產品簡介
瑞士SYLVAC S_Dial WORK數顯百分/千分表LED公差顯示大字體顯示加強夾緊軸設計可選配提升桿Basic系列功能:公英制、2個參考點設定
公司簡介
本司是一家專門服務于模具、塑膠電子廠、機械加工制造及五金生產的專門配套公司,自創建以來一直秉承“以客為尊、精益求精”的經營理念,不斷引進國內外的優質工具、量具、模具五金更好地為客戶服務。 我們銷售代理以下品牌:英國renishaw測針,測頭;瑞士GIROD-TAST紅寶石較表(杠桿表)以色列NOGA諾佳較表座/磁性表座/諾佳批鋒刀/修邊器/去毛刺刮刀瑞士SYLVAC量具日本三豐MITUTOYO量具量儀(千分百、百分表、千分尺、卡尺……)日本原裝NC牌KC-12防銹水、K200去漬水、W-2K防銹水瑞士TESA小量具瑞士TRIMOS高度計瑞士SWIP牌CMM三座標機專用紅寶石探針瑞典NORD-LOCK防松脫墊圈/鬧得牢/螺得牢快走絲耗材,,慢走絲線切割零件包括導電塊、噴水咀、皮帶、導絲咀、導線輪、眼膜、絕緣板等,chris日三離子交換樹脂、線切割火花機過濾器(filter),打孔機專用進口銅管,電極打孔銅管,日本大同DAI spring模具彈簧/韓國彈簧/國產彈簧英國HAIMER數顯三維尋邊器 SHAVIV去毛刺刮刀德國KAFER凱發百分表千分表 TOLTEC影像顯微量測器日本大同司筒、頂針系列/國產/臺灣司筒、頂針系列日本NCC牌鋸帶德國馬爾MAHR小量具日本富士H.T.D絲攻/日本歐斯技OSG絲攻/愛森針規,德國TBT槍鉆 華燁五金真誠期待與您合作!
展開
產品說明
瑞士SYLVAC S_Dial WORK數顯百分/千分表
LED公差顯示
大字體顯示
加強夾緊軸設計
可選配提升桿
Basic系列
功能:公英制、2個參考點設定、預置數、+/-測量方向
技術規格:
| 訂貨號 |
測量范圍(mm) |
分解度(mm) |
精度(um) |
重復精度(um) |
IP67防護等級 |
| 805.1201 |
12.5 |
0.01 |
10 |
2 |
|
| 805.1205 |
12.5 |
0.01 |
10 |
2 |
● |
| 805.1301 |
12.5 |
0.001 |
4 |
2 |
|
| 805.1401 |
25 |
0.01 |
10 |
2 |
|
| 805.1405 |
25 |
0.01 |
10 |
2 |
● |
| 805.1501 |
25 |
0.001 |
5 |
2 |
|
Advance系列
功能:公英制、2個參考點設定、預置數、+/-測量方向、zui大/zui小/差值、公差判斷、自動關機、按鍵鎖定
技術規格:
| 訂貨號 |
測量范圍(mm) |
分解度(mm) |
精度(um) |
重復精度(um) |
IP67防護等級 |
| 805.5301 |
12.5 |
0.001 |
3 |
2 |
|
| 805.5305 |
12.5 |
0.001 |
3 |
2 |
● |
| 805.5501 |
25 |
0.001 |
4 |
2 |
|
| 805.5505 |
25 |
0.001 |
4 |
2 |
● |

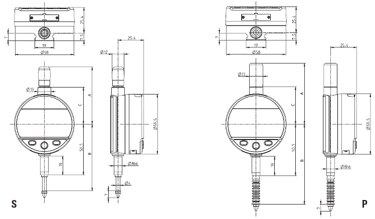
Catalog N°
Type
Measuring range [mm]
Execution
Max. Error fe [μm]
Resolution [mm]
Repeatability [μm]
A [mm]
B [mm]
C [mm]
Protection rating IEC 60529
Setting by PC
805.1301
basic
12.5
S
4
0.001
2
56.6
66.1
36.6
--
√
805.1205
basic
12.5
P
10
0.01
2
59.6
78.4
36.6
IP67
√
805.5301
advanced
12.5
S
3
0.001
2
56.6
66.1
36.6
--
√
805.5305
advanced
12.5
P
3
0.001
2
59.6
78.4
36.6
IP67
√
805.1201
basic
12.5
S
10
0.01
2
56.6
66.1
36.6
--
√
805.5501
advanced
25
S
4
0.001
2
69.3
79
49.4
--
√
805.5505
advanced
25
P
4
0.001
2
85.4
99.9
49.4
IP67
√
Catalog N°
Type
Measuring range [mm]
Execution
Max. Error fe [μm]
Resolution [mm]
Repeatability [μm]
A [mm]
B [mm]
C [mm]
Protection rating IEC 60529
Setting by PC
805.1401
basic
25
S
10
0.01
2
69.3
79
49.4
--
√
805.1405
basic
25
P
10
0.01
2
85.4
99.9
49.4
IP67
√
805.1501
basic
25
S
5
0.001
2
69.3
79
49.4
--
√
本頁產品地址:http://www.521uz.com/sell/show-1849458.html

免責聲明:以上所展示的[
805.1201 數顯百分/千分表]信息由會員[
東莞市華燁五金商行]自行提供,內容的真實性、準確性和合法性由發布會員負責。
[給覽網]對此不承擔任何責任。
友情提醒:為規避購買風險,建議您在購買相關產品前務必確認供應商資質及產品質量!