| 提交詢價信息 |
| 發布緊急求購 |
價格:電議
所在地:福建 廈門市
型號:三相可控硅移相觸發模塊-B3
更新時間:2016-01-25
瀏覽次數:4394
公司地址:全國廈門湖里區
![]()
郭工(先生)
公司聯合廈門大學的自動化領域專家,借鑒國內外先進的技術研究理念及管理模式,在廈門政府的大力支持下,正在努力研發國內新型的多功能彩色無紙記錄儀。
公司主打產品無紙記錄儀在國內具有體積最小,通道數最多的特點。與市場上同級別儀表相比,也具備更高的性能價格比。在化工、熱電、石化、制藥、冶金、機械、熱處理、食品、造紙及科研實驗等領域擁有近千家客戶。該產品的出現將是國內儀表發展史的一次重大的變革。該產品結合現有的GPRS/CDMA網絡及Internet技術,數據可進行遠程無線傳輸;結合人機界面(HMI)和可編程控制器技術(PLC) ,在無紙記錄儀的基礎上增加一部分的人機界面和可編程控制器功能,將記錄儀開放若干個用戶可配置的畫面,用戶可根據實際使用需要進行二次開發。
| 公司產品證書 | ![]() |
![]() |
![]() |
![]() |

|
接線圖
|
說明書下載
|
索取資料
|
向上一頁
|
B3三相可控硅觸發模塊
一. 產品簡介
本控制板生產的集成觸發電路、運算放大器、脈沖變壓器等單元組成。用戶使用時,可接入普通晶閘管或雙向晶閘管,主要用于單相純阻性負載、單相感性負載或變壓器原邊控制,也可用于單相或兩相全橋半控整流,具有觸發可靠,工作穩定,使用靈活的優點。
二. 功能特點
1、發脈沖寬度zui大時≥90度,移相范圍≥177度,特別適應三相阻性負載。
2、正負半周脈沖不均衡度≤1度,觸發功率大,zui大可觸發KP1500A的晶閘管。
主要應用領域:
鹽浴爐、工頻感應爐、淬火爐溫控;熱處理爐溫控;玻璃生產過程溫控;金剛石壓機加熱;大功率充磁/退磁設備;半導體工業舟蒸發源;航空電源調壓;真空磁控濺射電源;紡織機械;水晶石生產;粉末冶金機械;隧道電窯集散溫控系統;彩色顯像管生產設備;冶金機械設備;交直流電機拖動;石油化工機械;電壓、電流、功率、燈光等無級平滑調節,恒壓恒流恒功率控制等領域。
質量保障:
為了進一步提高產品質量,我們有嚴格的質量保證體系:嚴格把握元器件的進貨渠道;焊接前對元器件進行測試篩選;產品全部采用波峰焊(非人工焊接);控制板焊接完成后進行初調;初調合格后進行為期一周的通電升溫動態老化試驗;出廠前再進行全面檢測。確保給您提供的每一塊觸發板都是合格產品。
為了滿足不同層次的需求,我們正在加強新產品的開發,并不斷推陳出新。為了滿足您的特殊要求,我們愿為您單臺定制。您在使用我們產品時,可能還會發現一些不盡人意的地方,請您提出寶貴意見,我們在此表示衷心感謝。備注:特殊負載性質可以定制
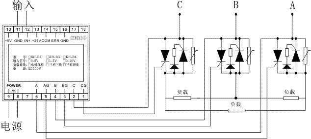
二、接線圖 
1:電源輸入端(9,8),請注意輸入電壓為交流220V。
2:輸入端(11,12),輸入信號視接線圖為準。
3:+5V(10,11)、+24V(13,14)可以提供電源,負載電流≤100mA。
4:故障控制端ERR(15,16)短接可以使模塊停止輸出,直至短接去除。
三、KH-B3 三相移相接線圖 
JKH-B1B3B4可控硅移相觸發模塊
關鍵字:可控硅觸發模塊 可控硅觸發
![]()
免責聲明:以上所展示的[三相可控硅移相觸發模塊-B3 移相觸發模塊]信息由會員[廈門科昊自動化有限公司]自行提供,內容的真實性、準確性和合法性由發布會員負責。| 詢價標題 | |
| 聯系人 | |
| 電話 | |
| 主要內容 | |
| 驗證碼 | |