| 提交詢價信息 |
| 發布緊急求購 |
價格:電議
所在地:浙江 溫州市
型號:
更新時間:2024-07-24
瀏覽次數:1697
公司地址:溫州沙城工業區南新河26號
![]()
楊先生(先生) 經理
閥門廠位于地處風景秀麗、氣候宜人的東海之濱溫州市龍灣區永中鎮,臨近溫州和溫州火車站,交通十分便利。
溫州市龍灣永中精華閥門廠,是一家集設計開發、生產制造與銷售服務于一體的專業化全襯氟閥門制造企業。公司擁有的加工設備和精良的檢測儀器以及成熟的襯氟技術,專業從事各種襯氟閥門的設計與制造。襯氟氟塑襯里閥門是本公司特色系列產品之一。產品涵蓋聚全氟乙丙烯襯里截止閥、球閥、隔膜閥、蝶閥、止回閥、管夾閥等40多個系列.產品覆蓋全國各地.廣泛用于化工、石油、冶煉、造紙、醫藥、水電等行業。
| 序號 NO |
零件名稱 Accessory name |
材質 Material |
||
| C | P | R | ||
| 1 | 內六角螺絲 Mild Sleel Hex Socket Screw |
1Cr18Ni9Ti | 1Cr18Ni9Ti | 1Cr18Ni12Mo2Ti |
| 2 | 閥蓋 Cover |
WCB | 1Cr18Ni9Ti | ZG1Cr18Ni12Mo2Ti |
| 3 | 墊片 Gasket |
不銹鋼+柔性石墨 Stainless Steel+Graphite |
||
| 4 | 閥座 Seat |
1Cr18Ni9Ti | 1Cr18Ni9Ti | 1Cr18Ni12Mo2Ti |
| 5 | 墊片 Gasket |
不銹鋼+柔性石墨 Stainless Steel+Graphite |
||
| 6 | 蝶板 Butterfly Plate |
WCB | ZG1Cr18Ni9Ti | ZG1Cr18Ni12Mo2Ti |
| 7 | 圓柱削 Straight Pin |
45 | 1Cr18Ni9Ti | 1Cr18Ni12Mo2Ti |
| 8 | 下蓋 Bottom Cover |
WCB | ZG1Cr18Ni9Ti | ZG1Cr18Ni12Mo2Ti |
| 9 | 墊片 Gasket |
不銹鋼+柔性石墨 Stainless Steel+Graphite |
||
| 10 | 襯套 Bushing |
PTFE+不銹鋼 PTFE+Stainless Steel |
||
| 11 | 閥體 Body |
WCB | ZG1Cr18Ni9Ti | ZG1Cr18Ni12Mo2Ti |
| 12 | 閥桿 Stem |
1Cr13 | 1Cr18Ni9Ti | 1Cr18Ni12Mo2Ti |
| 13 | 支架 Yoke |
WCB | ||
| 14 | 鍵 Key |
45 | ||
| 15 | 襯套 Bushing |
PTFE+不銹鋼 PTFE+Stainless Steel |
||
| 16 | 填料 Packing |
柔性石墨 Graphite |
||
| 17 | 壓蓋 Gland |
WCB | ZG1Cr18Ni9Ti | ZG1Cr18Ni12Mo2Ti |
| 18 | 位置指示器 Location lndicator |
塑料 Plactic |
||

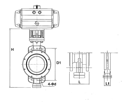
| 通徑(mm) | 尺寸(mm) | ||||||
| L | L1 | H | 1.6Mpa | 2.5Mpa | |||
| D1 | 4-¢d | D1 | 4-¢d | ||||
| 50 | 43 | 108 | 245 | 125 | 4-18 | 125 | 4-18 |
| 65 | 46 | 112 | 250 | 145 | 4-18 | 145 | 4-18 |
| 80 | 46 | 114 | 350 | 160 | 4-18 | 160 | 4-18 |
| 100 | 52 | 127 | 380 | 180 | 4-18 | 190 | 4-22 |
| 125 | 56 | 140 | 410 | 210 | 4-18 | 220 | 4-26 |
| 150 | 56 | 140 | 490 | 240 | 4-22 | 250 | 4-26 |
| 200 | 60 | 152 | 560 | 295 | 4-22 | 310 | 4-26 |
| 250 | 68 | 165 | 621 | 355 | 4-26 | 370 | 4-30 |
| 300 | 78 | 178 | 680 | 410 | 4-26 | 430 | 4-30 |
| 350 | 78 | 190 | 757 | 470 | 4-26 | 490 | 4-33 |
| 400 | 102 | 216 | 825 | 525 | 4-30 | 550 | 4-36 |
| 450 | 114 | 222 | 925 | 585 | 4-30 | 600 | 4-36 |
| 500 | 127 | 229 | 1010 | 650 | 4-33 | 660 | 4-36 |
| 600 | 154 | 267 | 1180 | 770 | 4-36 | 770 | 4-39 |
| 公稱通徑DN | 結構長度L | 外形尺寸(參考值) | 連接(標準值) | 參考 重量Dd343H |
||||||||||
| H | Dd943H | PN0.6MPa | PN1.0MPa | |||||||||||
| mm | inch | 短 | 長 | H3 | A3 | B3 | D | D1 | z- d | D | D1 | z- d | ||
| 50 | 2 | 108 | 150 | 112 | 530 | 250 | 255 | 140 | 110 | 4-14 | 165 | 125 | 4-18 | 17 |
| 65 | 5/2 | 112 | 170 | 115 | 530 | 250 | 255 | 160 | 130 | 4-14 | 185 | 145 | 4-18 | 20 |
| 80 | 3 | 114 | 180 | 120 | 565 | 250 | 255 | 190 | 150 | 4-18 | 200 | 160 | 8-18 | 23 |
| 100 | 4 | 127 | 190 | 138 | 600 | 250 | 255 | 210 | 170 | 4-18 | 220 | 180 | 8-18 | 25 |
| 125 | 5 | 140 | 200 | 164 | 640 | 250 | 255 | 240 | 200 | 8-18 | 250 | 210 | 8-18 | 40 |
| 150 | 6 | 140 | 210 | 175 | 705 | 300 | 315 | 165 | 225 | 8-18 | 285 | 240 | 8-22 | 47 |
| 200 | 8 | 152 | 230 | 200 | 775 | 300 | 315 | 320 | 280 | 8-18 | 340 | 295 | 8-22 | 60 |
| 250 | 10 | 165 | 250 | 243 | 945 | 300 | 315 | 375 | 335 | 12-18 | 395 | 350 | 12-22 | 95 |
| 300 | 12 | 178 | 270 | 250 | 1070 | 300 | 315 | 440 | 395 | 12-22 | 445 | 400 | 12-22 | 124 |
| 350 | 14 | 190 | 290 | 280 | 1140 | 300 | 315 | 490 | 445 | 12-22 | 505 | 460 | 16-22 | 181 |
| 400 | 16 | 216 | 310 | 305 | 1210 | 300 | 315 | 540 | 495 | 16-22 | 565 | 515 | 16-26 | 260 |
| 450 | 18 | 222 | 330 | 350 | 1335 | 575 | 714 | 595 | 550 | 16-22 | 615 | 565 | 20-26 | 338 |
| 500 | 20 | 229 | 350 | 380 | 1415 | 575 | 714 | 645 | 600 | 20-22 | 670 | 620 | 20-26 | 360 |
| 600 | 24 | 267 | 390 | 445 | 1605 | 656 | 810 | 755 | 705 | 20-26 | 780 | 725 | 20-30 | 540 |
| 700 | 28 | 292 | 430 | 480 | 1844 | 656 | 810 | 860 | 810 | 24-26 | 895 | 840 | 24-30 | 580 |
| 800 | 32 | 318 | 470 | 530 | 2040 | 656 | 810 | 975 | 920 | 24-30 | 1015 | 950 | 24-33 | 845 |
| 900 | 36 | 330 | 510 | 580 | 2255 | 785 | 863 | 1075 | 1020 | 24-30 | 1115 | 1050 | 28-33 | 1050 |
| 1000 | 40 | 410 | 550 | 650 | 2380 | 785 | 863 | 1175 | 1120 | 28-30 | 1230 | 1160 | 28-36 | 1500 |
| 1200 | 48 | 470 | 630 | 760 | 2640 | 785 | 863. | 1405 | 1340 | 32-33 | 1455 | 1380 | 32-39 | 2000 |
| 1400 | 56 | 530 | 710 | 850 | 2886 | 8410 | 890 | 1630 | 1560 | 36-36 | 1675 | 1590 | 36-42 | 3000 |
| 1600 | 64 | 600 | 790 | 1030 | 3156 | 810 | 890 | 1830 | 1760 | 40-369 | 1915 | 1820 | 40-48 | 4700 |
| 1800 | 72 | 670 | 870 | 1230 | 3421 | 830 | 930 | 2045 | 1970 | 44-39 | 2115 | 2020 | 44-48 | 6500 |
| 2000 | 80 | 760 | 950 | 1350 | 3685 | 850 | 940 | 2265 | 2180 | 48-42 | 2325 | 2230 | 48-48 | 8700 |
| 公稱通徑DN | 結構長度L | 外形尺寸(參考值) | 連接(標準值) | 參考 重量Dd343H |
||||||||||
| H | Dd943H | PN1.6MPa | PN2.5MPa | |||||||||||
| mm | inch | 短 | 長 | H3 | A3 | B3 | D | D1 | z- d | D | D1 | z- d | ||
| 50 | 2 | 108 | 150 | 112 | 530 | 250 | 255 | 165 | 125 | 4-18 | 165 | 125 | 4-18 | 19 |
| 65 | 5/2 | 112 | 170 | 115 | 530 | 250 | 255 | 185 | 145 | 4-18 | 185 | 145 | 8-18 | 22 |
| 80 | 3 | 114 | 180 | 120 | 565 | 250 | 255 | 200 | 160 | 8-18 | 200 | 160 | 8-18 | 25 |
| 100 | 4 | 127 | 190 | 138 | 600 | 250 | 255 | 220 | 180 | 8-18 | 235 | 190 | 8-22 | 28 |
| 125 | 5 | 140 | 200 | 164 | 640 | 250 | 255 | 250 | 210 | 8-18 | 270 | 220 | 8-26 | 43 |
| 150 | 6 | 140 | 210 | 175 | 705 | 300 | 315 | 285 | 240 | 8-22 | 300 | 250 | 8-26 | 50 |
| 200 | 8 | 152 | 230 | 200 | 775 | 300 | 315 | 340 | 295 | 12-22 | 360 | 310 | 12-26 | 64 |
| 250 | 10 | 165 | 250 | 243 | 945 | 300 | 315 | 405 | 355 | 12-26 | 425 | 370 | 12-30 | 99 |
| 300 | 12 | 178 | 270 | 250 | 1070 | 300 | 315 | 460 | 410 | 12-26 | 485 | 430 | 16-30 | 130 |
| 350 | 14 | 190 | 290 | 280 | 1140 | 300 | 315 | 520 | 470 | 16-26 | 555 | 490 | 16-33 | 188 |
| 400 | 16 | 216 | 310 | 305 | 1210 | 300 | 315 | 580 | 525 | 16-30 | 620 | 550 | 16-36 | 270 |
| 450 | 18 | 222 | 330 | 350 | 1335 | 575 | 714 | 640 | 585 | 20-30 | 670 | 600 | 20-36 | 350 |
| 500 | 20 | 229 | 350 | 380 | 1415 | 575 | 714 | 715 | 650 | 20-33 | 730 | 660 | 20-36 | 375 |
| 600 | 24 | 267 | 390 | 445 | 1605 | 656 | 810 | 840 | 770 | 20-36 | 845 | 770 | 20-39 | 560 |
| 700 | 28 | 292 | 430 | 480 | 1844 | 656 | 810 | 910 | 840 | 24-36 | 960 | 875 | 24-42 | 610 |
| 800 | 32 | 318 | 470 | 530 | 2040 | 656 | 810 | 1025 | 950 | 24-39 | 1085 | 990 | 24-48 | 880 |
| 900 | 36 | 330 | 510 | 580 | 2255 | 785 | 863 | 1125 | 1050 | 28-39 | 1185 | 1090 | 28-48 | 1100 |
| 1000 | 40 | 410 | 550 | 650 | 2380 | 785 | 863 | 1255 | 1170 | 28-42 | 1320 | 1210 | 28-56 | 1600 |
| 1200 | 48 | 470 | 630 | 760 | 2640 | 785 | 863. | 1485 | 1390 | 32-48 | 1530 | 1420 | 32-56 | 2150 |
| 1400 | 56 | 530 | 710 | 850 | 2886 | 810 | 890 | 1685 | 1590 | 36-48 | 1755 | 1640 | 36-60 | 3200 |
| 1600 | 64 | 600 | 790 | 1030 | 3156 | 810 | 890 | 1930 | 1820 | 40-55 | 1975 | 1860 | 40-60 | 5000 |
| 1800 | 72 | 670 | 870 | 1230 | 3421 | 830 | 930 | 2130 | 2020 | 44-55 | 2195 | 2070 | 44-68 | 6900 |
| 2000 | 80 | 760 | 950 | 1350 | 3685 | 940 | 2345 | 2230 | 48-60 | 2425 | 2300 | 48-68 | 9100 | |
| 公稱通經DN(mm) | 50~2000 | |||
| 公稱藥理PN(MPa) | 0.6 | 1.0 | 1.6 | 2.5 |
| 密封試驗(MPa) | 0.66 | 1.1 | 1.76 | 2.75 |
| 強度試驗(MPa) | 0.9 | 1.5 | 2.4 | 3.75 |
| 適用溫度 | 碳鋼:-29℃~425℃ 不銹鋼:-40℃~650℃ | |||
| 適用介質 | 水、空氣、天然氣、油品及弱腐蝕性流體 | |||
| 泄漏率 | 符合GB/T13927-92標準 | |||
| 驅動方式 | 蝸輪傳動、電動、氣動、液動 | |||
免責聲明:以上所展示的[ D941H 圣萊爾電動蝶閥 ]信息由會員[溫州圣萊爾自動化閥門制造有限公司]自行提供,內容的真實性、準確性和合法性由發布會員負責。