公司簡介
昌暉自動化系統有限公司是專業從事SWP系列智能化數字儀表研發、制造、營銷以及工業控制系統集成的企業,已通過了ISO9000:2000質量管理體系認證并被授予高新技術企業稱號。
昌暉自動化系統有限公司是科技人員創業的園地,公司核心是國內科技人員和海外留學人員,企業團隊精誠默契,立業目標明確--強調"科技先導、服務至上",提倡"以誠為本,以質取信",立志"超越自我、挑戰未來",創建信息化時代儀表行業的一流企業。
公司以香港為橋梁,以內地為基地,以人才為資源,汲取國外技術精粹,結合中國工業生產特點,致力創新,努力開發和生產具有信息化特色的SWP智能化儀表和控制系統產品。
昌暉SWP系列智能化儀表年銷量已達近10萬臺,熱銷國內二十多個省(市)自治區,廣泛被應用在國防航天、工業過程、交通運輸和科學試驗等領域。公司還多次受托為航天基地、石油勘采、武器試驗等特殊使用場合研制功能特殊的儀表,受到有關部門的贊譽。
在工業自動化系統方面,昌暉SWP-SPC控制系統以其強大的功能、便捷的界面、經濟的價位為中小企業的技術改造和升級所廣泛采用;昌暉SWP-FJC發酵過程節能優化控制系統經多家制藥廠使用并通過有關部門的鑒定,實踐證明,其節電、節能和提高發酵效果明顯,經濟效益和社會效益十分顯著,深受發酵行業用戶的歡迎。
幾經奮斗,鑄就今天--我們擁有了自主知識產權的SWP系列儀表核心技術;建立了規模化和規范化的儀表生產基地;形成了遍及全國的技術服務和營銷網絡;成為國內儀表行業有一定影響的企業之一。......
展開
產品說明
| NHR-5100系列單回路數字顯示控制儀 |
概述:NHR-5100系列單回路數字顯示控制儀針對現場溫度、壓力、液位、速度等各種信號進行采集、顯示、控制、遠傳、通訊、打印等處理,構成數字采集系統及控制系統,廣泛運用于電力、石化、冶金、輕工、制藥、等諸多領域。
★單路輸入,雙屏LED數碼顯示,且帶有光柱模擬指示功能(0~100%)。
★具備36種信號輸入功能,可任意選擇輸入信號類型;0.2%級測量精度。
★熱電阻\熱電偶信號分辨率可切換:1℃或0.1℃。
★具備“上下限報警”、“延時報警”、“斷線報警”、“閃爍報警”等報警功能,帶LED報警燈指示。
★具有電壓、電流變送輸出信號可選。
★支持RS485、RS232串行接口,采用標準MODBUS RTU通訊協議。
★儀表可帶RS232C打印功能,具有手動打印、定時打印、報警打印等功能。
★帶DC24V饋電輸出,為現場變送器配電。
★輸入、輸出、電源、通訊相互之間采用光電隔離技術。
★具備多種外形尺寸及樣式供用戶選擇。
★參數設定密碼鎖定、參數設置斷電保存,具備參數恢復出廠設定功能。 |
| |
| 詳細描述:
儀表面板

參數功能
★ 注:以上參數為儀表全部參數,如果不是全功能儀表,則未選功能所對應的參數將不予顯示。
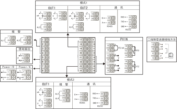
儀表接線圖

規格尺寸為A、B、C、D、E、K、L、M型接線圖
注:橫豎式儀表后蓋接線端子方向不一樣,見示意圖1。 |

圖一 |

規格尺寸為F型接線圖

規格尺寸為H型接線圖
★ 注:上述接線圖中在同一組端子標有不同功能的,只能選擇其中一種功能。如RS485和RS232在同一組接線端子上,只能選擇一種。
儀表選型
NHR-5100□-□-□/□/□/□/□( )-□-( )
① ② ③ ④ ⑤ ⑥ ⑦ ⑧ ⑨
備注:
1、選型時請根據接線圖來選擇功能,由于尺寸小的儀表接線端子少帶不了全功能,有的功能在同組端子上只能選擇其中一種功能。
2、規格尺寸為F型的儀表不帶RS232C打印接口,H型的儀表不帶RS232通訊接口和RS232C打印接口。
3、在寫型號時必須完整,沒有選到的功能項不能省略,必須用“X”補上。
例1:NHR-5100A-55-0/X/2/1P(24)-A
例2:NHR-5100C-27-0/X/X/2P(24)-D
| ①規格尺寸 |
②輸入分度號 |
| 代碼 |
寬*高*深 |
代碼 |
分度號(測量范圍) |
A
B
C
D
E
F
H
K
L
M |
160*80*110mm(橫式)
80*160*110mm(豎式)
96*96*110mm(方式)
96*48*110mm(橫式)
48*96*110mm(豎式)
72*72*110mm(方式)
48*48*110mm(方式)
160*80*110mm(橫式/光柱)
80*160*110mm(豎式/光柱)
96*96*110mm(方式/光柱) |
00
01
02
03
04
05
06
07
08
09
10
11
12
13
14
15
16
17
18
19
20
21
22
23
24
25
26
27
28
29
30
31
32
33
34
35
55
56 |
熱電偶B(400~1800℃)
熱電偶S(0~1600℃)
熱電偶K(0~1300℃)
熱電偶E分度(0~1000℃)
熱電偶T分度(-200.0~400.0℃)
熱電偶J分度(0~1200℃)
熱電偶R分度(0~1600℃)
熱電偶N分度(0~1300℃)
熱電偶F2分度(700~2000℃)
熱電偶Wre3-25分度(0~2300℃)
熱電偶Wre5-26分度(0~2300℃)
熱電阻CU50(-50.0~150.0℃)
熱電阻CU53(-50.0~150.0℃)
熱電阻CU100(-50.0~150.0℃)
熱電阻PT100(-200.0~650.0℃)
熱電阻BA1(-200.0.0~600.0℃)
熱電阻BA2(-200.0~600.0℃)
線性電阻0~400Ω(-1999~9999)
遠傳電阻0-350Ω (-1999~9999)
遠傳電阻30-350Ω (-1999~9999)
0~20mV (-1999~9999)
0~40mV (-1999~9999)
0~100mV (-1999~9999)
-20~20mV (-1999~9999)
-100~100mV (-1999~9999)
0~20mA (-1999~9999)
0~10mA (-1999~9999)
4~20mA (-1999~9999)
0~5V (-1999~9999)
1~5V (-1999~9999)
-5~5V (-1999~9999)
0~10V (-1999~9999)
0~10mA開方 (-1999~9999)
4~20mA開方 (-1999~9999)
0~5V開方 (-1999~9999)
1~5V開方 (-1999~9999)
全切換
特殊規格 |
| ③變送輸出1(OUT1) |
| 代碼 |
輸出類型(負載電阻RL) |
X
0
1
2
3
4
5 |
無輸出
4-20mA(RL≤600Ω)
1-5V(RL≥250KΩ)
0-10mA(RL≤1.2KΩ)
0-5V(RL≥250KΩ)
0-20mA(RL≤600Ω)
0-10V(RL≥4KΩ) |
| ④變送輸出2(OUT2) |
| 代碼 |
輸出類型(負載電阻RL) |
X
0
1
2
3
4
5 |
無輸出
4-20mA(RL≤600Ω)
1-5V(RL≥250KΩ)
0-10mA(RL≤1.2KΩ)
0-5V(RL≥250KΩ)
0-20mA(RL≤600Ω)
0-10V(RL≥4KΩ) |
| ⑤報警(繼電器接點輸出) |
| 代碼 |
報警限數 |
X
1
2
3
4 |
無輸出
1限報警
2限報警
3限報警
4限報警 |
| ⑥通訊輸出 |
| 代碼 |
通訊接口(通訊協議) |
|
X
D1
D2
D3
|
無通訊輸出
RS-485通迅接口(Modbus)
RS232通迅接口(Modbus)
RS232C打印接口 |
| ⑦饋電輸出 |
| 代碼 |
饋電輸出(輸出電壓) |
X
1P
2P |
無輸出
1路饋電輸出
2路饋電輸出
如“2P(12/24)”表示一路12V,
第二路24V饋電輸出。 |
| ⑧供電電源 |
| 代碼 |
電壓范圍 |
A
D |
AC/DC 100-240V(AC/50-60Hz)
DC 20-29V |
| ⑨備注 |
| 無備注可省略 |
 |
 |
 |
 |
 |
| 160*80mm(A型) |
80*160mm(B型) |
96*96mm(C型) |
96*48mm(D型) |
48*96mm(E型) |
| |
|
|
|
|
 |
 |
 |
 |
 |
| 160*80mm(K型) |
80*160mm(L型) |
96*96mm(M型) |
72*72mm(F型) |
48*48mm(H型) |
|
|
|
本頁產品地址:http://www.521uz.com/sell/show-888973.html