| 提交詢價信息 |
| 發布緊急求購 |
價格:電議
所在地:河南 鄭州市
型號:MPM416W0~3mH2O]5E22C1
更新時間:2021-10-18
瀏覽次數:1934
公司地址:中原區秦嶺路與建設路陽光新干線
![]()
張女士(女士)
產品概述
MPM416W型投入式液位變送器由高性能擴散硅壓阻式壓力傳感器作為測量元件,把與液位深度成正比的液體靜壓力準確測量出來,并經過信號調理電路轉換成標準(電流或電壓)信號輸出,建立起輸出信號與液體深度的線性對應關系,實現對液體深度的測量。產品精度高、體積小,直接投入液體中,即可測量出變送器末端到液面的液體高度,使用方便。適用于石油、化工、電廠、城市供水、水文勘探領域的液位測量與控制。

產品特點
•分體式結構,投入(插入)液體中的傳感器部分為全密封不銹鋼結構,電子線路殼體為鑄鋁結構件,安裝于方便接線的地方,便于調校和接線;
•防爆型產品符合GB3836.4標準的ExiaⅡCT6要求,取得了防爆合格證;
•船用型產品符合CCS《鋼質海船入級規范》(2006)的要求,獲得船用產品型式認可證書;
•MPM416W型產品已取得CE認證。
性能參數
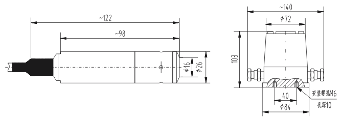
外形結構



電氣連接
MPM416W型

選型指南
|
MPM416W型 |
投入式液位變送器 |
|||||
|
量程(mH2O) [0~X mH2O]L |
L:電纜線長度,選用時建議L-X=(1~2)m |
MPM416W型 |
||||
|
L:鎧裝鋼管的長度 |
MPM416WK型 |
|||||
|
L:軟鋼管的長度 |
MPM416WRK型 |
|||||
|
代號 |
輸出信號 |
|||||
|
E |
4~20mADC |
|||||
|
F |
1~5VDC |
|||||
|
J |
0~5VDC |
|||||
|
Q |
0~10mADC |
|||||
|
U |
0~20mADC |
|||||
|
V |
0~10VDC |
|||||
|
代號 |
結構材料 |
|||||
|
隔離膜片 |
接口 |
殼體 |
||||
|
22 |
不銹鋼316L |
不銹鋼 |
不銹鋼 |
|||
|
25 |
鉭 |
不銹鋼 |
不銹鋼 |
|||
|
代號 |
附加功能 |
|||||
|
M1 |
0~線性指示表(不含MPM416WRK型) |
|||||
|
i |
本安防爆型ExiaⅡCT6 |
|||||
|
C1 |
M20×1.5外螺紋壓力接口,端面密封 |
MPM416W型 |
||||
|
C3 |
G1/2外螺紋壓力接口 |
|||||
|
C5 |
M20×1.5外螺紋壓力接口,水線密封 |
|||||
|
T |
船用 |
|||||
|
F1 |
固定法蘭(不含MPM416WK型) |
MPM416WK型 |
||||
|
1F1 |
不銹鋼法蘭1 DN50 |
|||||
|
1M1 |
不銹鋼外螺紋M42×1.5 |
|||||
|
1F2 |
不銹鋼法蘭2 DN10 |
|||||
|
1M2 |
不銹鋼外螺紋M30×1.5 |
|||||
|
2F1 |
碳鋼鍍鋅法蘭1 DN50 |
|||||
|
2M1 |
碳鋼鍍鋅外螺紋M42×1.5 |
|||||
|
2F2 |
碳鋼鍍鋅法蘭2 DN10 |
|||||
|
MPM416W |
[0~3mH2O]5 |
E |
22 |
iC1 |
完整的型號規格 |
|
選型提示
1、被測介質應與接觸產品部分的材料相兼容,同時需要注明被測介質在測量狀態時的密度(水除外)。
2、電纜線材質有兩種,聚氨脂較為柔軟,耐磨性好,可選擇使用。在沒有特殊注明要求的情況下,按聚乙烯電纜材料供貨。
3、產品安裝于多雷地區時,訂貨時應注明“防雷”,同時建議用戶在現場加裝防雷擊保護裝置,并確保產品及電源可靠接地。
4、特殊要求,敬請與本公司商洽,并在訂單中予以注明。
麥克傳感器MPM380型壓力傳感器
麥克傳感器MPM388型壓力傳感器
麥克傳感器MPM430型壓力變送器
麥克傳感器MPM480[0-100]KpaE22B1PC型壓力變送器
麥克傳感器MPM4730 型壓力變送器
麥克傳感器MPM4760型壓力變送器
麥克傳感器MPM489[0-100Kpa]E22B1C5G型壓力變送器
麥克傳感器MPM482型LCD數字顯示壓力變送器
麥克壓力傳感器MPM4120壓縮機專用壓力傳感器
麥克壓力傳感器MPM483型壓力變送器
麥克壓力傳感器MPM486型智能壓力變送器
麥克壓力傳感器MPM484型壓力變送控制器
麥克智能化壓力傳感器MPM460型智能壓力變送控制器
麥克傳數字化壓力感器MPM484A/ZL型數字化壓力變送控制器
麥克壓力傳感器MPM4530型壓力變送器
麥克高溫傳感器MPM4528高溫壓力測量
麥克壓力傳感器MPM489B型壓力變送器
麥克壓力傳感器MDM3051GP型壓力變送器
麥克壓力傳感器MDM3051AP型壓力變送器
麥克差壓傳感器MDM3051GP/DP型遠傳壓力差壓變送器
麥克壓力傳感器MDM4951GP型壓力變送器
麥克壓力傳感器MDM4951AP型壓力變送器
麥克液位傳感器MPM416W投入式液位變送器
麥克液位傳感器MPM426W投入式液位變送器
麥克壓力傳感器MPM489B 麥克壓力變送器
MPM430型壓力變送器 MPM4700型智能液位變送器
MPM480型壓力變送器 MPM490型壓阻式差壓變送器
MPM4730型壓力變送器 MPM486型HART協議智能壓力變送器
MPM4760型壓力變送器 MSB9418型測控儀
MPM489型壓力變送器 MSB9438型多屏壓力/液位顯示儀
MPM482型LCD數字顯示壓力變送器
PD100型4~20mA保護器
MPM4120壓縮機專用壓力傳感器
MPM483型壓力變送器
MPM486型智能壓力變送器
MPM484型壓力變送控制器
MPM460型智能壓力變送控制器
MPM484A/ZL型數字化壓力變送控制器
MPM4530型壓力變送器
MPM4528高溫壓力測量
MPM489B型壓力變送器
MDM3051GP型壓力變送器
MDM3051AP型壓力變送器
MDM3051GP/DP型遠傳壓力差壓變送器
MDM4951GP型壓力變送器
MDM4951AP型壓力變送器
MPM316W型壓陰式液位傳感 MPM380型壓力傳感器
MPM388型壓力傳感器 MDM390型壓阻式壓力傳感器
MPM416W型液位變送器 MPM426W/436W型投入式液位變送器
免責聲明:以上所展示的[MPM416W0~3mH2O]5E22C1 MPM416W型液位傳感器]信息由會員[陜西麥克技術工程有限公司]自行提供,內容的真實性、準確性和合法性由發布會員負責。