| 提交詢價信息 |
| 發布緊急求購 |
價格:電議
所在地:湖南 長沙市
型號:DKX型
更新時間:2014-12-17
瀏覽次數:2194
公司地址:中國湖南省長沙市迎賓路235號
![]()
范(先生) 工程師
|
(抽屜式)
![]() DKX-C |
DKX-G1 (墻掛式) |
DKX-G2 (戶外墻掛式) |
|
|
型 號
|
DKX-C-10
|
DKX-C-20
|
DKX-G-10
|
DKX-G-20
|
||
|
|
外形尺寸(mm)
|
(寬*高*深)
160*160*430 |
(寬*高*深)
160*160*430 |
(寬*高*深)
300*420*250 |
(寬*高*深)
300*420*250 |
||
|
|
開孔尺寸(mm)
|
152*152
|
152*152
|
|
|
||
|
|
結構形式
|
抽屜式
|
墻掛式
|
||||
|
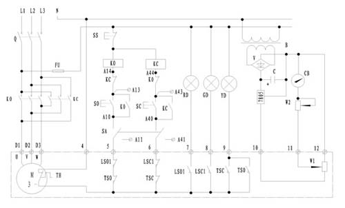
DKX-C抽屜式控制箱外形尺寸圖:
|
DKX-G掛壁式外形尺寸圖:
|
|
|||||



免責聲明:以上所展示的[DKX型 電動閥門控制箱]信息由會員[湖南西門機電科技有限公司]自行提供,內容的真實性、準確性和合法性由發布會員負責。