| 提交詢價信息 |
| 發布緊急求購 |
價格:電議
所在地:河南 鄭州市
型號:MPM4530型
更新時間:2021-10-18
瀏覽次數:1522
公司地址:鄭州市陽光新干線10號樓
![]()
于真(女士) 銷售經理
麥克傳感器代理MPM280,MPM281,MPM282,MPM283,MDM290,MPM380,MPM316W,MDM390,MPM388
麥克傳感器代理MPM416WRK,MPM426WJ,MPM426W/416W,MPM436W,MPM416WK,MPM480,MPM430
麥克傳感器代理MPM4530,MTM,MPM482,MPM483,MPM4730,MPM4760,MPM4700,MPM484A/MDM484A
麥克傳感器代理MPM462,MPM486,MPM484ZL/MDM484ZL,MPM484/MDM484,MPM460,MPM460W,MDM460
麥克傳感器代理MDM492,MDM490,MDM460,MDM484,MDM484ZL,MDM484A,MDM3051,MDM4951,MPM580
麥克傳感器代理MPM582,MFM500,MPM583,MSB9438,MSB9418,MSB9458,MDM4951LT,MDM4951DPU,MDM4951GPU
麥克傳感器代理MDM4951DP,MDM4951DR,MDM4951HP,MDM4951DP,MDM4951HP,MDM4951GP,MDM4951AP
產品概述
MPM4530型高溫壓力變送器選用耐高溫壓力傳感器作為信號測量元件,被測介質壓力經過變送器上的散熱結構傳遞到傳感器上,的信號處理電路位于不銹鋼殼體內,將傳感器輸出信號轉換為標準輸出信號。整個產品經過了元器件、半成品及成品的嚴格測試及老化篩選,性能穩定可靠。適用于工業現場、食品及醫藥設備、發電、機械制造、汽車制造和船舶制造、石油化工、冶金制造、蒸汽和熱能交換的領域。

•傳感器與壓力接口為全焊接結構,外殼防護等級IP65;
•與介質接觸的材料為不銹鋼,耐腐蝕性好;
•適用于高溫、低溫和常溫介質的壓力測量,能長期穩定工作;
•抗沖擊,抗震動,耐腐蝕;
•適用介質溫度范圍寬。
性能參數
壓力范圍: -0.1MPa…0~0.004MPa…1MPa(MSV型)
0~0.5MPa…100MPa(ASV型)
允許過載: 200%FS或150MPa(取zui小值)
測量介質: 與不銹鋼兼容的液體或氣體供電范圍: 10~30VDC,推薦供電24VDC
信號輸出: 4~20mADC兩線
負載電阻: RL≤((U-10)/0.02)(Ω)精 度: ±0.25%FS、±0.5%FS
溫度誤差: ≤±0.025%FS/℃(參比25℃)
長期穩定性:≤±0.5%FS/年
耐 久性 : 106壓力循環
環境溫度: -40℃~+80℃
介質溫度: -40℃~+150℃
相對濕度: 0~90%RH
防護等級: IP65
頻率響應: >1kHz
緣: 100MΩ,50VDC接口及殼體:不銹鋼1Cr18Ni9Ti
引線接插件:Hirschmann接插件
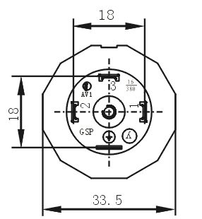
外形結構
(單位:mm)
ASV型如下圖所示
MSV型如下圖所示


電氣連接
|
電流輸出(4~20mADC) |
插腳 |
|
電源正(+V) |
1 |
|
電源負(0V) |
2 |
|
空 |
3 |

選型指南
|
MPM4530 |
型高溫壓力變送器 |
||||
|
測量范圍 |
0~0.004MPa…100MPa |
||||
|
[0~X]kPa或MPa |
X是標定測量范圍 |
||||
|
類型編碼 |
類型備注 |
||||
|
MSV |
壓力測量范圍-0.1MPa…0~0.004MPa…1MPa |
||||
|
ASV |
壓力測量范圍0~0.5MPa…100MPa |
||||
|
代號 |
輸`出信號 |
||||
|
E |
4~20mADC |
||||
|
代號 |
附加功能 |
||||
|
C1 |
M20×1.5外螺紋壓力接口,端面密封(僅適用ASV型) |
||||
|
C2 |
G1/4外螺紋壓力接口(僅適用ASV型) |
||||
|
C3 |
G1/2外螺紋壓力接口(僅適用ASV型) |
||||
|
C4 |
G1/4內螺紋壓力接口(僅適用ASV型) |
||||
|
C5 |
M20×1.5外螺紋壓力接口,水線密封 |
||||
|
G |
表壓型 |
||||
|
A |
壓型(僅適用MSV型) |
||||
|
MPM4530 |
[0~2]MPa |
ASV |
E |
C5G |
完整的型號規格 |
選型提示
1、選型時請注意被側介質與產品接觸部分的兼容性。
2、該產品ASV型僅提供表壓型測量,MSV型可提供表壓、壓測量。
3、特殊要求,敬請與本公司商洽,并在訂單中注明。
麥克傳感器MDM492,MDM490,MDM460
麥克傳感器代理MPM280,MPM281,MPM282,MPM283,MDM290,MPM380,MPM316W,MDM390,MPM388
麥克傳感器代理MPM416WRK,MPM426WJ,MPM426W/416W,MPM436W,MPM416WK,MPM480,MPM430
麥克傳感器代理MPM4530,MTM,MPM482,MPM483,MPM4730,MPM4760,MPM4700,MPM484A/MDM484A
麥克傳感器代理MPM462,MPM486,MPM484ZL/MDM484ZL,MPM484/MDM484,MPM460,MPM460W,MDM460
麥克傳感器代理MDM492,MDM490,MDM460,MDM484,MDM484ZL,MDM484A,MDM3051,MDM4951,MPM580
麥克傳感器代理MPM582,MFM500,MPM583,MSB9438,MSB9418,MSB9458,MDM4951LT,MDM4951DPU,MDM4951GPU
麥克傳感器代理MDM4951DP,MDM4951DR,MDM4951HP,MDM4951DP,MDM4951HP,MDM4951GP,MDM4951AP
麥克傳感器MPM280,MPM281,MPM282
麥克傳感器MPM283,MDM290,MPM380
麥克傳感器MPM316W,MDM390,MPM388
麥克傳感器MPM416WRK,MPM426WJ
麥克傳感器MPM426W/416W,MPM436W
麥克傳感器MPM416WK,MPM480,MPM430
麥克傳感器MPM4530,MTM,MPM482,MPM483
麥克傳感器MPM4730,MPM4760,MPM4700
麥克傳感器MPM484A/MDM484A,,MPM484/MDM484
麥克傳感器MPM462,MPM486,MPM484ZL/MDM484ZL
麥克傳感器MPM460,MPM460W,MDM460
麥克傳感器MDM492,MDM490,MDM460,
麥克傳感器MSB9438,MSB9418,MSB9458
麥克傳感器MDM4951LT,MDM4951DPU,MDM4951GPU
麥克傳感器MDM4951DP,MDM4951DR,MDM4951HP
麥克傳感器MDM4951DP,MDM4951HP
麥克傳感器MDM4951GP,MDM4951AP
麥克傳感器MDM492,MDM490,MDM460
麥克MPM4700液位變送器
麥克MPM416W投入式液位變送器
麥克MPM416WK型鎧裝插入式液位變送器
麥克MPM316W型壓阻式液位傳感器
麥克MPM426W型投入式液位變送器
麥克MPM460W多功能智能液位變送控制器
麥克MPM436W投入式液位變送器
麥克MPM489W液位變送器
麥克MPM380壓力傳感器
麥克MPM388壓力傳感器
麥克MPM388壓力傳感器
麥克MPM430壓力變送器
麥克MPM480壓力變送器
麥克MPM4730壓力變送器
麥克MPM4760壓力變送器
麥克MPM489壓力變送器
麥克MPM482型LCD數字顯示壓力變送器
麥克MPM4120 壓縮機專用壓力傳感器
麥克MPM483壓力變送器
麥克MPM486型 HART?協議智能壓力變送器
麥克MPM484壓力變送控制器
麥克MPM460多功能智能壓力變送控制器
麥克MPM484A/ZL型數字化壓力變送控制器
麥克MPM380型壓力傳感器
麥克MPM388型壓力傳感器
麥克MPM430型壓力變送器
麥克MPM480型壓力變送器
麥克MPM4730型壓力變送器
麥克MPM4760型壓力變送器
麥克MPM489型壓力變送器
麥克MPM482型LCD數字顯示壓力變送器
麥克MPM4120壓縮機專用壓力傳感器
麥克MPM483型壓力變送器
麥克MPM486型智能壓力變送器
麥克MPM484型壓力變送控制器
麥克MPM460型智能壓力變送控制器
麥克MPM484A/ZL型數字化壓力變送控制器
麥克MPM4530型壓力變送器
麥克MPM4528高溫壓力測量
麥克MPM489B型壓力變送器
麥克MDM3051GP型壓力變送器
麥克MDM3051AP型壓力變送器
麥克MDM3051GP/DP型遠傳壓力差壓變送器
麥克MDM4951GP型壓力變送器
麥克MDM4951AP型壓力變送器
麥克MPM380型壓力傳感器
麥克MPM388型壓力傳感器
麥克MPM430型壓力變送器
麥克MPM480型壓力變送器
麥克MPM4730型壓力變送器
麥克MPM4760型壓力變送器
麥克MPM489型壓力變送器
麥克MPM482型LCD數字顯示壓力變送器
麥克MPM4120壓縮機專用壓力傳感器
麥克MPM483型壓力變送器
麥克MPM486型智能壓力變送器
麥克MPM484型壓力變送控制器
麥克MPM460型智能壓力變送控制器
麥克MPM484A/ZL型數字化壓力變送控制器
麥克MPM4530型壓力變送器
麥克MPM4528高溫壓力測量
麥克MPM489B型壓力變送器
麥克MDM3051GP型壓力變送器
麥克MDM3051AP型壓力變送器
麥克MDM3051GP/DP型遠傳壓力差壓變送器
麥克MDM4951GP型壓力變送器
麥克MDM4951AP型壓力變送器
免責聲明:以上所展示的[MPM4530型 MPM4530型 ]信息由會員[香港百特儀表有限公司]自行提供,內容的真實性、準確性和合法性由發布會員負責。