| 提交詢價信息 |
| 發布緊急求購 |
價格:電議
所在地:上海
型號:GID型電動高真空壓力蝶閥
更新時間:2018-11-27
瀏覽次數:1254
公司地址:上海市青浦區金澤工業園區
![]()
李賢(先生)
|
上海申弘閥門有限公司主營閥門有:減壓閥(氣體減壓閥,可調式減壓閥,波紋管減壓閥,活塞式減壓閥,蒸汽減壓閥,先導式減壓閥,比例減壓閥)、安全閥、保溫閥、低溫閥、球閥、截止閥、閘閥、止回閥、蝶閥、過濾器、放料閥、隔膜閥、旋塞閥、柱塞閥、平衡閥、調節閥、疏水閥、管夾閥、排污閥、排氣閥、排泥閥、氣動閥門、電動閥門、高壓閥門、中壓閥門、低壓閥門、水力控制閥、真空閥門、襯膠閥門、襯氟閥門。同時,公司可按照客戶的要求進行非標產品的設計、制造、加工。始終以質量為本,一切為滿足用戶的經營理念,不斷引進國外先進的新技術,新工藝、新材料,竭誠為用戶提供優質的閥門產品和更加完善的售后服務。公司配有車、刨、磨、銑、鉆、焊、自動噴涂等機械設備二百六十余臺套,并配有材料分析、理化X線及超聲波探傷儀等專業檢測設備八十余臺套,同時設有閥門研發中心、控制閥測控中心、閥門質量檢測中心。上海申弘閥門有限公司是集閥門的研發生產、銷售及技術服務于一體的流體控制企業,其產品和服務在化工、石化、石油、液化氣、造紙、采礦、電力、食品、制藥、冶金、輕工、樓宇、市政工程、污水處理、環保、給排水等領域市場處于領先地位。 |

【GID型電動高真空壓力蝶閥主要技術性能 】
|
真空閥門適用范圍:Apply Range
|
105~1.3×10-4Pa
|
|
真空閥門閥門漏率:Valve Leak Rate
|
≤1.3×10-4Pa.L/S.
|
|
真空閥門適用溫度:Applicable Temperature
|
-25~+80℃(丁橡膠)
-30~+150℃(氟橡膠) |
|
電 源:Loop Temperature time
|
220V/50Hz
|
|
安裝位置:Install the direction
|
任意
|
|
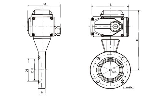
Model
真空閥門型號 |
DN
|
D
|
Do
|
D1
|
B
|
H
|
B1
|
L
|
n-φc
|
|
GID-40
|
40
|
85
|
70
|
44
|
22
|
183
|
139
|
157
|
4-φ7
|
|
GID-50
|
50
|
110
|
90
|
55
|
22
|
195
|
139
|
157
|
4-φ7
|
|
GID-65
|
65
|
125
|
105
|
70
|
26
|
203
|
139
|
157
|
4-φ9
|
|
GID-80
|
80
|
145
|
125
|
85
|
30
|
213
|
139
|
157
|
4-φ9
|
|
GID-100
|
100
|
170
|
145
|
105
|
30
|
231
|
139
|
157
|
4-φ12
|
|
GID-150
|
150
|
220
|
195
|
156
|
35
|
251
|
139
|
157
|
8-φ12
|
|
GID-200
|
200
|
275
|
250
|
208
|
40
|
315
|
147
|
207
|
8-φ12
|
|
GID-250
|
250
|
330
|
300
|
258
|
45
|
343
|
147
|
207
|
8-φ14
|
|
GID-300
|
300
|
380
|
350
|
308
|
55
|
368
|
147
|
207
|
8-φ14
|
|
GID-400
|
400
|
500
|
465
|
408
|
60
|
451
|
182
|
256
|
8-φ18
|
|
GID-500
|
500
|
600
|
565
|
510
|
80
|
535
|
182
|
280
|
12-φ18
|
三、當使用的場合非常重要或環境比較復雜時,請您盡量提供設計圖紙和詳細參數,由我們的閥門公司為您審核把關。如有疑問:請來電咨詢:,,::,:,,. www.shshvalve.com, www.shenhongfm.com
我們一定會盡心盡力為您提供優質的服務。
免責聲明:以上所展示的[GID型電動高真空壓力蝶閥 GID型電動高真空壓力蝶閥]信息由會員[上海申弘閥門有限公司]自行提供,內容的真實性、準確性和合法性由發布會員負責。