產品簡介
產品名稱:法蘭三通球閥產品型號:Q44F 一、產品特點: 法蘭連接三通球閥,連接
公司簡介
上海玉武閥門有限公司成立于1999年,占地面積2萬多平方米,其中建筑面積1.8萬多平方米,注冊資金2008萬元,現有員工280名,其中高級工程師25名,專職技工38名,擁有各類生產和檢測設備120余臺。公司通過IS09001:2000質量管理體系認證、API美國石油工業協會認證、ISO14001:2004環境管理體系認證、GB/T 28001-2001職業健康安全管理體系及中華人民共和國特種設備制造許可(壓力管道)等認證。玉武閥門主要產品有:氣動閥門,蝶閥、球閥、截止閥、閘閥、止回閥、柱塞閥、針型閥、放料閥、底閥、排污閥、排泥閥、排氣閥、過濾器、隔膜閥、旋塞閥、保溫閥門、控制閥、平衡閥、衛生級閥門、玻璃鋼球閥、呼吸閥、阻火器、消防閥門:
代理銷售進口閥門類,臺灣富山閥門
本公司堅持走:以質量求生存,以科技求發展,重合同守信用的道路,生產經營得到迅速發展。我們將以優質的產品和最完善的售后服務來真誠與各界朋友開展廣泛的合作,共同創造一個美好的未來!
在玉武行銷遍布大江南北之際,為所有玉武用戶提供及時、完善、全面的銷售服務,使企業與客戶緊密相連,攜手共創美好未來! "確保您的投資效益"是我們的經營宗旨。 總經理率全體員工向廣大用戶致意,誠邀有志之士來我廠洽談業務,互相交流,共圖發展!
展開
產品說明
產品名稱:法蘭三通球閥
產品型號:Q44F
|
一、產品特點:
法蘭連接三通球閥,連接三通球閥,法蘭三通球閥產品特點①、兩閥座密封三通球閥結構緊湊、外型美觀、密封性能好。也能實現管道中介流向的切換。也能使阻互垂直的兩個通道連通或關閉。②、四閥座密封三通球閥造型美觀,結構緊湊合理,它不僅可實現介質流向的切換,也可使三個通道相互連通,同時也可關閉任一通道,使另外一通道連通,靈活控制管路中介質的合流或分流。

二、主要零件材料:
|
零件名稱
|
材質
|
|
GB
|
ASTM
|
|
閥體、閥蓋
|
WCB
|
A216-WCB
|
|
密封圈
|
PTFE、對位聚苯
|
PTFE、對位聚苯
|
|
球體
|
1Cr18Ni9Ti
|
SS304
|
|
閥座、閥桿
|
2Cr13
|
A246-416
|
|
雙頭螺栓
|
35CrMoA
|
A193-B7
|

備注:三通球閥一般采用兩閥座結構,如流向圖A所示兩種工況。選用兩面閥座L型結構(即Q44型)。流向B中①和④兩種工況亦可選用兩閥座T型結構(即Q45型)。流向圖B②和③兩種工況必須選用四閥認T型結構(即Q45型)。其余工況也可以先用四閥座結構,但在訂貨合同中注明閥座結構。如閥門有其它要求請參閱樣本《閥門的型號編制方法》填寰相應的要求代號。
三、主要性能范圍:
|
公稱壓力
|
試驗壓力(MPa)
|
|
殼體
|
高壓液密封
|
體壓氣密封
|
|
1.6
|
2.4
|
1.76
|
0.6
|
|
2.5
|
3.75
|
2.75
|
|
4.0
|
6.0
|
4.4
|
|
CLASS150
|
3.0
|
2.2
|
|
適用工況
|
適用介質
|
水、油品、氣等非腐蝕和酸堿腐蝕介質
|
|
適用溫度
|
-28~350℃
|
|
應用規范
|
連接法蘭
|
JB79-59、GB9113、HG20592-97、ANSI B16.5
|
|
檢驗試驗
|
GB/T9092-99、API598
|
其余制造規范均按本廠標準;
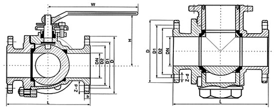
四、法蘭連接三通球閥國標連接尺寸和外形 PN1.6MPa :
|
型號
|
公稱通徑DN(mm)
|
尺寸(mm)
|
|
L
|
L2
|
D
|
D1
|
D2
|
b
|
f
|
Z-d
|
H
|
W
|
|
Q44F-16C
(P)
(R)
|
15
|
150
|
72
|
95
|
65
|
45
|
14
|
2
|
4-14
|
95
|
130
|
|
20
|
160
|
80
|
105
|
75
|
55
|
14
|
2
|
4-14
|
110
|
130
|
|
25
|
180
|
90
|
115
|
85
|
65
|
14
|
2
|
4-18
|
120
|
140
|
|
32
|
200
|
100
|
135
|
100
|
78
|
16
|
2
|
4-18
|
144
|
180
|
|
40
|
220
|
110
|
145
|
110
|
85
|
16
|
3
|
4-18
|
152
|
220
|
|
50
|
240
|
120
|
160
|
125
|
100
|
16
|
3
|
4-23
|
182
|
220
|
|
65
|
260
|
130
|
180
|
145
|
120
|
16
|
3
|
4-18
|
193
|
240
|
|
80
|
280
|
140
|
195
|
160
|
135
|
20
|
3
|
8-18
|
217
|
270
|
|
100
|
320
|
160
|
215
|
180
|
155
|
20
|
3
|
8-18
|
245
|
350
|
|
125
|
380
|
190
|
245
|
210
|
185
|
22
|
3
|
8-18
|
282
|
500
|
|
150
|
440
|
220
|
280
|
240
|
210
|
24
|
3
|
8-23
|
319
|
600
|
|
200
|
550
|
260
|
335
|
295
|
265
|
26
|
3
|
12-23
|
380
|
1000
|
|
250
|
670
|
310
|
405
|
355
|
320
|
30
|
3
|
12-25
|
460
|
1400
|
|
300
|
720
|
370
|
460
|
410
|
375
|
30
|
3
|
12-25
|
520
|
1800
|
五、法蘭連接三通球閥美標連接尺寸和外形 150Lb :
|
公稱通徑DN
|
尺寸(mm)
|
|
(in)
|
(mm)
|
L
|
D
|
D1
|
D2
|
b
|
f
|
Z-Φd
|
H
|
L0
|
|
1/2
|
15
|
140
|
89
|
60.5
|
35
|
10
|
1.6
|
4-Φ15
|
55
|
130
|
|
3/4
|
20
|
165
|
98
|
70
|
43
|
11
|
1.6
|
4-Φ15
|
55
|
130
|
|
1
|
25
|
165
|
108
|
79.5
|
51
|
12
|
1.6
|
4-Φ15
|
70
|
140
|
|
11/4
|
32
|
220
|
117
|
79
|
64
|
13
|
1.6
|
4-Φ15
|
75
|
180
|
|
11/2
|
40
|
250
|
127
|
98.5
|
73
|
15
|
1.6
|
4-Φ15
|
90
|
220
|
|
21/2
|
50
|
260
|
152
|
120.5
|
92
|
16
|
1.6
|
4-Φ19
|
104
|
260
|
|
2
|
65
|
320
|
178
|
139.5
|
105
|
18
|
1.6
|
4-Φ19
|
153
|
350
|
|
3
|
80
|
320
|
190
|
152.5
|
127
|
19
|
1.6
|
4-Φ19
|
187
|
400
|
|
4
|
100
|
370
|
229
|
190.5
|
157
|
24
|
1.6
|
8-Φ19
|
206
|
500
|
|
5
|
125
|
510
|
254
|
216
|
186
|
24
|
1.6
|
8-Φ22
|
252
|
600
|
|
6
|
150
|
510
|
279
|
241.5
|
216
|
26
|
1.6
|
8-Φ22
|
244
|
1000
|
|
8
|
200
|
580
|
373
|
298.5
|
270
|
29
|
1.6
|
8-Φ22
|
283
|
1300
|
|
10
|
250
|
670
|
406
|
362
|
324
|
31
|
1.6
|
12-Φ25
|
345
|
1600
|
|
12
|
300
|
720
|
483
|
432
|
381
|
32
|
1.6
|
12-Φ25
|
420
|
|
玉武閥門公司訂貨須知:①【三通球閥 】產品 名稱與型號②【三通球閥 】口徑③【三通球閥】 是否帶附件以便我們的為您正確選型④【三通球閥】的使用壓力⑤【三通球閥】的使用介質的溫度。
若已經由設計單位選定玉武閥門公司的【三通球閥】型號,請按【三通球閥】型號直接向我司銷售部訂購。
當使用的場合非常重要或環境比較復雜時,請您盡量提供設計圖紙和詳細參數,由我們的玉武閥門公司為您審核把關。
感謝您訪問我們的網站【http://www.ywfmyxgs.com】如有任何疑問.您可以致電給我們,我們一定會盡心盡力為您提供優質的服務。:
|
本頁產品地址:http://www.521uz.com/sell/show-1841305.html