| 提交詢價信息 |
| 發布緊急求購 |
價格:電議
所在地:河北 滄州市
型號:SM-500型
更新時間:2015-05-25
瀏覽次數:1066
公司地址:河北省滄州西獻縣尹屯工業區
![]()
張文綱(先生) 經理

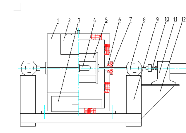
1. 罩殼:罩殼由二層玻璃鋼板中間夾吸音棉組成,分上下兩罩,上罩殼有罩門(2),下罩殼有取料斗(3),可盛放磨好的物料,罩殼與磨機軸用帶有毛氈圈端蓋7密封,所以罩殼起到隔音和防塵的良好密封作用。
2. 磨機:磨機由筒體(5)、磨門蓋(4)、軸承及軸承(8)、聯軸器(10)和齒輪減速機(11)等組成,是研磨物料的主體部分,在卸料時將磨蓋換上柵孔卸料板,滿足卸料的要求。
3. 支座:支座是由磨機(9)及電動機(12)組成的鋼結構,用以支承罩殼,磨機,電動減速機及電器控制箱等,磨機座底部有4 個Φ20底腳螺栓孔,用以固定全套設備。(地腳安裝尺寸見圖二)。
4. 電器控制箱(電氣原理圖見圖三):由按鈕、組合開關、熱繼電器、時間繼電器、組合開關等組成,研磨時間出廠時已調到場30min,用戶也可以根據物料研磨細度自由調整。當磨機停機后方可打開磨門,若磨門未對準罩殼門時用點動開關點動對準之。




河北榮達路橋科儀器材廠
免責聲明:以上所展示的[SM-500型 SM-500型試驗磨]信息由會員[河北榮達路橋科儀器材廠]自行提供,內容的真實性、準確性和合法性由發布會員負責。