| 提交詢價信息 |
| 發布緊急求購 |
價格:電議
所在地:安徽 蚌埠市
型號:YHZH-S
更新時間:2015-07-20
瀏覽次數:1393
公司地址:安徽省蚌埠市龍子湖區
![]()
崔普江(先生)
蚌埠宇航傳感測控工程有限公司是國家力敏傳感器的專業研究基地。本公司集中了一批富有創新精神的中、青年精英,專門從事傳感器、變送器、智能儀器、儀表等方面的科研開發與制造。分別吸收和消化了日本株式會社共和電業、美國Kulite公司的箔式傳感器、擴散硅傳感器的制造技術。宇航傳感以雄厚的技術、科研、開發力量及精湛的生產工藝水平研制、開發、制造上百種力敏傳感器、壓力變送器、智能儀表及計算機控制系統。主要產品有:稱重系列傳感器、壓力系列傳感器、張力系列傳感器、位移系列傳感器、油田載荷系列傳感器、智能變送器、智能儀表等科技型工業產品,廣泛應用于冶金、化工、油田、軍工、航空航天、各科研所、院校、汽車、交通、能源、機械制造、建材等行業的計算機和自動化過程控制。產品遍布全國,并在北京、上海、廣州、成都、沈陽、青島、廈門等地區建立了辦事處。

一、產品介紹
傳統產品,成熟可靠,特有的T型過載保護裝置,抗過載能力強。可選擇一體化標準信號輸出,如4-20mA或0-5V三線制放大器。適用于皮帶秤、配料秤等。
量程
3,5,10,20,30,50,100,150kg
二、產品特點
⊙特有的T型過載保護裝置,抗過載能力強。
⊙適用于皮帶秤、配料秤等。
⊙可選擇一體化標準信號輸出,三線制,0~10mA、4~20mA或0~5V輸出
三、性能參數
| 額定載荷 | 3~150kg |
| 綜合精度 | 0.05(線性+滯后+重復性) |
| 靈敏度 | 2.0 mV/V |
| 蠕變 | ±0.05 %F·S/30min |
| 零點輸出 | ±1 %F·S |
| 零點溫度影響 | ±0.05 %F·S/10℃ |
| 輸出溫度影響 | ±0.05 %F·S/10℃ |
| 工作溫度 | -20℃~+65℃ |
| 輸入阻抗 | 380±10 Ω |
| 輸出阻抗 | 350±3 Ω |
| 緣電阻 | 〉5000 MΩ |
| 安全過載 | 150% F·S |
| 供橋電壓 | 建議10VDC |
| 材質 | 合金鋼 |
| 接線方式 | 輸入(+):紅線 輸入(-):黑線 |
| 輸出(+):綠線 輸出(-):白線 | |
| 放大器接線方式 | 電源:紅 公共端:綠 輸出:黃 |
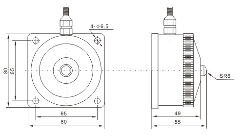
四、外形結構

免責聲明:以上所展示的[YHZH-S 水泥包裝秤稱重傳感器]信息由會員[蚌埠宇航傳感器測控工程有限公司]自行提供,內容的真實性、準確性和合法性由發布會員負責。