| 提交詢價信息 |
| 發布緊急求購 |
價格:電議
所在地:安徽 蚌埠市
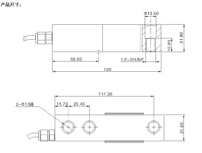
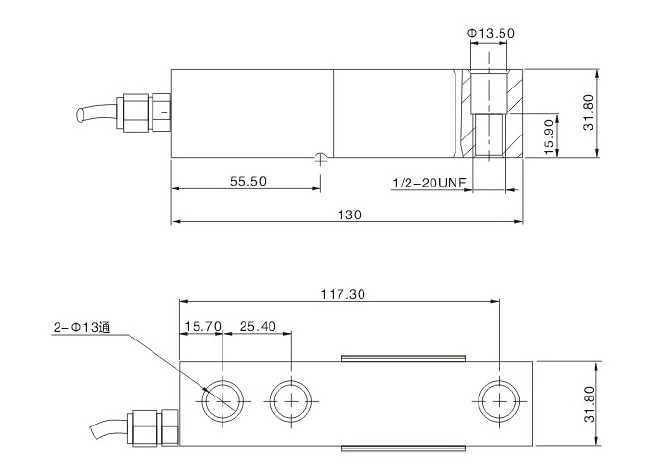
型號:YHXB-1A
更新時間:2015-07-20
瀏覽次數:1159
公司地址:安徽省蚌埠市龍子湖區
![]()
崔普江(先生)
蚌埠宇航傳感測控工程有限公司是國家力敏傳感器的專業研究基地。本公司集中了一批富有創新精神的中、青年精英,專門從事傳感器、變送器、智能儀器、儀表等方面的科研開發與制造。分別吸收和消化了日本株式會社共和電業、美國Kulite公司的箔式傳感器、擴散硅傳感器的制造技術。宇航傳感以雄厚的技術、科研、開發力量及精湛的生產工藝水平研制、開發、制造上百種力敏傳感器、壓力變送器、智能儀表及計算機控制系統。主要產品有:稱重系列傳感器、壓力系列傳感器、張力系列傳感器、位移系列傳感器、油田載荷系列傳感器、智能變送器、智能儀表等科技型工業產品,廣泛應用于冶金、化工、油田、軍工、航空航天、各科研所、院校、汽車、交通、能源、機械制造、建材等行業的計算機和自動化過程控制。產品遍布全國,并在北京、上海、廣州、成都、沈陽、青島、廈門等地區建立了辦事處。




免責聲明:以上所展示的[YHXB-1A YHXB-1A 懸臂梁稱重傳感器]信息由會員[蚌埠宇航傳感器測控工程有限公司]自行提供,內容的真實性、準確性和合法性由發布會員負責。