| 提交詢價信息 |
| 發布緊急求購 |
價格:電議
所在地:上海
型號:
更新時間:2015-03-11
瀏覽次數:2155
公司地址:上海市閔行區元江路5500號
![]()
楊挺(先生) 經理
上海傳流閥門有限公司成立于世界聞名的大城市━上海,地理位置優越,陸、海、空交通便利,是一家專業代理及經銷進口閥門的企業。公司擁有一支非常穩定的專業技術隊伍,具備豐富的銷經驗售和完善技術支持,周到的售后服務體系,時刻把滿足客戶放在首位,以“服務與價格并重”的服務理念,使得傳流公司長期穩定發展。
USA FRANK VALVE LIMITED美國富蘭克閥門公司作為美洲大型的閥門制造廠之一,在這一領域中,我們居于全球的領先地位。直屬擁有3家專業的閥門研究單位,全球擁有12家分公司,在閥類流體理論和基礎部件加工方面具有一定的權威性。此外,許多國家的大量分銷商也在銷售著富蘭克的產品。美國富蘭克閥門公司秉承一流美洲的工程技術傳統,研發、制造調節閥產品,提供多項優質服務于能源領域,同時更致力于通過技術創新和高品質追求以及靈活服務的組合,為廣大用戶提供更安全穩定的高新產品。作為在閥門行業高性價比的代名詞,美國富蘭克為客戶提供從單一產品到復雜系統的閥門全面解決方案。C系列直行程調節閥,V系列自力式調節閥是當今世界應用最廣泛的調節閥,可以在任何流體需要控制的工業里發現它。被應用于全球眾多建筑、商業、機械設備、工業和市政供水領域。
富蘭克的價值理念概括為:責任-遠見-創新。我們因自身的責任感、遠見及專注于創造前所未有的解決方案和理念,而成為全球領先的閥門制造商。早在2003年富蘭克已進入中國,中國上海設立了辦事處,也就是現今的富蘭克亞太區總部,2006年在香港建立了獨資工廠。富蘭克始終認為中國的發展對于全球的發展具有著重要意義,同時也熱切期望融入其中,為中國發展做出努力和貢獻。
目前在中國市場已擁有一批穩定的用戶,如中石油、中石化、中航、中船、華能集團、蒙牛乳業、雅士利乳業、旺旺集團、武鋼、攀鋼、吳忠儀表股份、杭州汽輪機股份、山西壓縮天然氣集團公司、上海寶鋼集團、國華準格爾發電廠、海拉爾發電廠、廣州豐田汽車、上海華東理工大學、上海上儀集團、上海人民電器開關廠、浙江大學、寧波象山電站湖南湘潭電廠、深圳制藥廠、大慶煉化、遼河油田、恒安紙業、深圳水務集團、香港中華電力公司等等。
進口蒸汽電磁閥
蒸汽電磁閥性能規范:
| 1 | zui高工作壓力 | 1.6MPa〈1.0MPa〉 |
| 2 | 工作壓差 | 0.05~1.6MPa≥φ65以上 0.1~1.6MPa〈ZCZP系列0.04~1.0MPa〉 |
| 3 | 介質 | 液體 氣體 蒸汽 油 〈20CST |
| 4 | 介質溫度 | ≤180℃〈220℃ |
| 5 | 電壓 | AC:380V;220V; 36V/50Hz DC:24V 110V 220V |
| 6 | 絕緣等級 | B級 |
| 7 | 電源允許波動 |
-15%~+10% |
| 8 | 功率 | φ15~φ50 24W φ65~φ150 50W |
| 9 | 響應時間 | φ15~φ50 開≤2秒 關≤3秒 φ65~φ150 開≤3秒 關≤5秒 |
| 10 | 安裝方式 | 介質流向與電磁閥箭頭保持一致,線圈垂直向上,工作介質應清潔 |
結構規格參數
|
規格 |
長mm |
高mm |
連接方式 |
材質 |
|
15 |
90 |
150 |
G1/2"內螺紋 |
銅閥體 |
|
20 |
100 |
160 |
G3/4"內螺紋 |
|
|
25 |
115 |
176 |
G1"內螺紋 |
|
|
32 |
140 |
201 |
G11/4"內螺紋 |
|
|
40 |
155 |
223 |
G11/2"內螺紋 |
|
|
50 |
170 |
230 |
G2"內螺紋 |

蒸汽法蘭電磁閥系列

蒸汽電磁閥性能規范:
工作壓力:φ65以下0.05~1.6MPa
φ65以上0.1~1.6MPa(0.04~1.0MPa)
工作介質:液體、氣體、蒸汽、油<20CST
電壓:AC:380V;220V; 36V/50Hz DC:24V 110V 220V
絕緣等級:B級
電源允許波動:-15%~+10%
功率:φ20~φ50 24W;φ65~φ150 50W
響應時間:φ15~φ50 開≤2秒 關≤3秒 φ65~φ150 開≤3秒 關≤5秒
安裝方式:介質流向與閥上箭頭保持一致,線圈垂直向上,工作介質應清潔
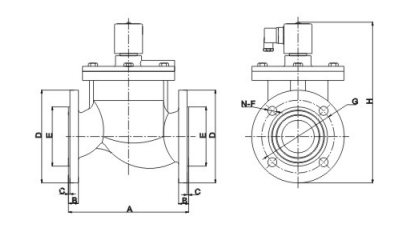
外形結構尺寸圖

|
規格 |
A |
B |
C |
φD |
φE |
φF |
φG |
H |
N |
材質 |
|
20F |
110 |
12 |
2 |
102 |
56 |
14 |
75 |
185 |
4 |
銅閥體 |
|
25F |
122 |
13 |
2 |
112 |
65 |
14 |
85 |
202 |
4 |
|
|
32F |
140 |
16 |
2 |
140 |
78 |
18 |
100 |
240 |
4 |
|
|
40F |
150 |
16 |
2 |
148 |
84 |
18 |
110 |
254 |
4 |
|
|
50F |
160 |
17 |
2 |
165 |
102 |
18 |
125 |
265 |
4 |
鑄鐵閥體 |
|
65F |
240 |
20 |
3 |
185 |
118 |
18 |
145 |
360 |
4 |
|
|
80F |
280 |
22 |
3 |
200 |
132 |
18 |
160 |
400 |
4 |
|
|
100F |
320 |
25 |
3 |
220 |
160 |
18 |
180 |
420 |
8 |
|
|
150F |
400 |
28 |
3 |
285 |
212 |
22 |
240 |
570 |
8 |
結構分解圖

免責聲明:以上所展示的[ 進口蒸汽電磁閥]信息由會員[上海傳流閥門有限公司]自行提供,內容的真實性、準確性和合法性由發布會員負責。