產品目錄
產品詳情

產品簡介
DF-96C缺水保護全自動液位開關可自動實現水箱補水、排水,并有效防止水池水位過高溢出或溢出空轉損壞,是一種工業、家庭均...
產品詳細介紹
DF-96C缺水保護全自動液位開關可自動實現水箱補水、排水,并有效防止水池水位過高溢出或溢出空轉損壞,是一種工業、家庭均適用的產品。
|
DF-96B液位控制器,DF-96B缺水保護全自動液位開關
|
|
|
水位控制器
|
|
|
工作電壓
|
AC220V/50Hz
|
|
外形尺寸
|
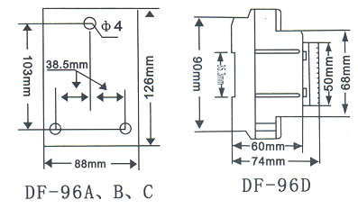
126×88×51mm
|
|
負載容量
|
AC220V/
|
|
重量
|
350g
|

|
性能特征
單控上水池控頭安裝
![]() (一)單控上水池控頭安裝說明安裝圖如圖一所示:
A(經線)—為上水池(水塔)上限液位控制點,水位上升達到A點水位,水與探頭接觸,水們控制器自動關泵;
B(藍線)—為上水池(水塔)下限液位控制點,水位下降到B點水位以下,水與探頭脫離接觸,上海云鷗儀表、水位控制器自動開泵,水池充水;
C(黑線)—為水池(水塔)地線,放在水池的zui低點與水池底部接觸;
D(綠線)、E(黃線)點并接到C。
(二)單控下水池(即排水池)探頭安裝說明安裝圖如圖二所示:
E—為下水池上限液位控制點,水們上升達到E點水位,水與探頭接觸,水位控制器自動開泵,水池排水;若不排水,則E點不接;
D—為下水池下限液位控制點,水位下降到D點水位,水與控頭脫離接觸,水位控制器自動關泵,水池停止排水;
C—為水池地線,上海云鷗儀表、放地水池的zui低點與水底部接觸;
A、B點不接。
(三)缺水保護探頭安裝說明安裝圖如圖三所示:
C、D點為水池下限水位控制點,水位下降到下限水位,C、D探頭之一與水面脫離接觸,水位控制器繼電器立即動作,切斷輸出,水泵停止工作;
E點與C點短接;
A、B點不接。
|
|||||||||||||||||||||||||||
|
(四)上下水池聯合控制探頭安裝說明安裝圖如圖三所示:
A—為上水池(水塔)上限液位控制點,水位上升達到A點水位,水與控頭接觸,水們控制器自動關泵;
B—為上水池(水塔)下限液們控制點,水位下降到B點水位以下,水與探頭脫離接觸,水位控制自動開泵,水池充水;
C—為上、下不池(水塔)公用在線,放在上、下水池的zui低點與水池底部接觸;
D—為下水池下限液位控制點,水位下降到D點水位,上海云鷗儀表、水與探頭脫離接觸,水位控制器自動關泵,水池停止排水;
E—為下水池上限液位控制點,水位上升到E點水位,水與探頭接觸,水位控制器自動開泵,水池排頭;若不排水,則E點不接。
安裝尺寸
![]() 安裝使用其他說明
1、為確保液位控制器正常工作,安裝好后請再次檢查輸入輸出的接線、探頭連接線是否接觸可靠。可上、下移動探頭,使其接觸、脫離水面,模擬檢測水們控制器是否安裝正確且能按您的需要正常工作。
2、建議將各點探頭固定在水池內壁,以免探頭位置發生偏移導致水位控制器誤動作,(若水池壁為金屬,則除C點地線外不宜接在內壁,以免發生短路,導致水位控制器不能正常工作)。
3、按上述接線方法接好后,上海云鷗儀表、檢查產品右側的“手動/自動”開關(DF-96D無),是否確能根據用戶需要手動開啟、關閉水泵,用后將其調整回“自動”位置,水位控制器進入工作狀態。
4、臨時需開啟、關閉水泵,請用水位控制器左側的“手動/自動”開關控制(DF-96D)型無手動開關。
5、為避免誤動作,請勿將產品安裝在潮濕、腐蝕及高金屬含量氣體的環境中。本產品采用集成電路,并結合高層樓宇上、下水池(水塔)的水位分級提升進行設計,具有上下水池聯合控制,水池排水及缺水保護等功能,上海云鷗儀表、可自動實現水箱補水、排水,并有效防止水池水位過高溢出或水泵空轉損壞,是一種工業、家庭均適用的產品。非常適合城鎮、村、學校、工礦企事業單位及家庭用水的水塔—水井供水工程,廣泛應用于印染、化工、食品、飲料、釀酒、制糖等行業
|
DF-96C缺水保護全自動液位開關
如果您覺得“DF-96C缺水保護全自動液位開關”描述資料不夠齊全,請聯系我們獲取詳細資料。(聯系時請告訴我從給覽網看到的,我們將給您最大優惠!)
本頁鏈接:http://www.521uz.com/com_shyoyb/sell/itemid-1734071.html
已經有1559位訪客查看了本頁.
產品咨詢










