用途說明
YTX-150防爆電接點壓力表按GB3836.1 83《爆炸性環境用防爆電氣設備通用要求》和GB3836.2 83《爆炸性環境用防爆電氣設備 隔爆型電氣設備 “d”》的有關規定及相關標準進行設計,并經由國家的檢驗機構所審批的圖樣和技術文件進行制造。
儀表的防爆類別為‖類隔爆型B級T4組,其標志Exd‖BT4。
儀表適宜在有爆炸危險的場所內用來測量非結晶、非凝固的爆炸性混合物或各種無爆炸性的介質壓力。
儀表經與具有相應防爆性能或采取相應安全措施的電氣器件(如繼電器及接觸器等)配套使用,便能對被控系統實現自動控制和發信(報警)的目的。
主要技術指標 :
精確度等級:1.6
標度范圍:0~0.16,0~0.25,0~0.4,0-~0.6,0~1.0,0~2.5,0~4,0~6,0~10,0~16,0~25,0~40,0~60,-0.1~0.06,-0.1~0.15,-0.1~0.3,-0.1~0.5,-0.1~0.9,-0.1~1.5,-0.1~2.4MPa.
控制方式:上、下限緩行接點開關
zui高工作電壓:DC 220V 或AC 380V
觸頭功率:10VA
工作位置:垂直安裝
使用環境條件:-10~50℃,相對濕度不大于80%,且爆炸性混合物應屬于‖B級T4組以下,工作振動和被測介質的急劇脈動應對儀表觸頭的可靠動作無影響。
溫度影響:示值不大于0.4%/10℃,設定點不大于0.6%/10℃(使用溫度偏離20±5℃)
絕緣強度:50Hz正弦交流電2000V歷時一分鐘
重量:6kg
結構原理
儀表由隔爆外殼、測量系統、電接點組、調節裝置和出線盒等組成。
儀表的隔爆外殼具有良好的隔爆性能,因此對在正常工作過程中由于火花或電弧的影響,除了能承受殼體內部的爆炸性氣體混合物在一旦引起爆炸時產生的爆炸壓力外,并能有效地阻止由此產生的熱能向外順利傳播,而只能在殼體內部沿著隔爆接合面的微小縫隙處緩慢地向外擴散。這時,傳至殼體外部的瞬間溫度已降低到爆炸性氣體混合物的燃點溫度以下,故不會導致傳爆。
儀表的工作原理是基于檢測元件(測量系統中的彈簧管)的彈性變形,通過機械傳動使之帶動電接點組中的觸頭產生相應的動作(閉合或斷開)以使控壓系統中的電路得以接通或斷開,從而實現自動控制報警和現場指示的目的。
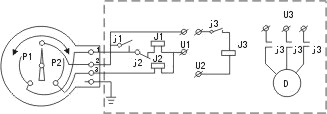
電氣電路連接示意圖

本頁產品地址:http://www.521uz.com/sell/show-186581.html