公司簡介
金湖美高儀表有限公司主要從事溫度、壓力、流量、物位等系列儀器儀表、計量儀器、
控制系統的設計、開發、及裝置總成技術的銷售、服務工作。
公司座落在美麗富饒的高郵湖畔,有“天下第一荷花”美稱的魚米之鄉——金湖境內,
交通方便,東臨京滬高速、西靠寧連高速、鹽金線貫穿境內。
美高儀表正以卓越的敬業精神,精雕細琢的產品,周到細致的服務,步入市場經濟發展的浪潮中。
本公司將以優質的產品、優惠的價格、優良的服務積極參與市場競爭,竭誠與各界朋友,
新老客戶誠信合作,共創輝煌。
展開
產品說明
| 磁助電接點壓力表的詳細資料: |
 |
|
磁助電接點壓力表
|
YXC系列磁助電接點壓力表:
為能適應被測對象的各異和需求,磁助電接點壓力表在原有普通型和專用型的基礎上,又相繼研制了抗振型、耐蝕型、耐蝕抗振型以及帶有隔離裝置等多種類型共10多種型號的產品。廣泛應用于石油、化工、電站、冶金等工業部門,在環境較為惡劣和有耐腐要求的場合中測量無爆炸危險的各種流體介質的壓力。儀表經與相應的電氣器件配套使用,可達到對被測壓力系統實現自動控制和發信(報警)的目的。

鑒于磁助電接點壓力表不僅具有設計新穎、結構可靠、品種規格齊全、動作穩定性好、適應性強的特點外,而且又具有測控并茂、安裝簡單、維護量小等優點,因此,磁助電接點壓力表是一般無指示、無切換差調整和無外設定裝置的壓力控制器所無可比擬的壓力測控儀表。
主要技術指標及功能
· 磁助電接點壓力表標度范圍、精確度等級及接頭螺紋尺寸
|
類 型
|
型 號
|
名稱(含全稱
或簡稱)
|
標度范圍
MPa
|
精確度等級
|
接頭螺紋
尺寸
|
|
指示
|
設定值
|
|
接通
|
斷開
|
|
普通型
|
YXC-100
*YXC-102
YXC-103
|
磁助電接點壓力表
|
0~0.6至60及-0.1~0.06至2.4系列
|
1.5
|
1.5
|
4
|
M20×1.5
(*G3/8″)
(*G1/2″)
|
|
YXC-150
*YXC-153
|
0~0.1至60及-0.1~0至2.4系列
|
|
專用型
|
YXCA-150
|
磁助電接點氨壓力表
|
0~0.16至60及-0.1~0.06至2.4系列
|
2.5
|
2.5
|
4
|
|
抗振型
|
YXC-100-Z
*YXC-102-Z
YXC-103-Z
|
磁助電接點壓力表
|
0~0.6至60及-0.1~0.5至2.4系列
|
1.5
|
1.5
|
5
|
|
耐蝕型
|
*YXC-100B-F
*YXC-102B-F
*YXC-103B-F
*YXC-150B-F
*YXC-152B-F
|
0~0. 6至60及-0.1~0.06至2.4系列
|
1.5
|
1.5
|
4
|
|
耐蝕抗振型
|
*YXC-100B-FZ
*YXC-102B-FZ
*YXC-152B-FZ
*YXC-153B-FZ
|
0~0. 6至60及-0.1~0.5至2.4系列
|
1.5
|
1.5
|
5
|
|
隔離式普通型
隔離式耐蝕型
|
YXCG-103
*YXCG-103-F
|
隔離式磁助電接點壓力表
|
0~0. 16至60及-0.1~0.06至2.4系列
|
1.5
|
1.5
|
4
|
M42×2
(*G1 1/4″)
|
|
隔離式抗振型
|
YXCG-103-Z
|
0~0. 6至60及-0.1~0.5至2.4系列
|
1.5
|
1.5
|
5
|
|
隔離式耐蝕抗振型
|
*YXCG-103-FZ
|
注:1)標有“*”的型號暫限于特殊訂貨
2)隔離式的軟尾長度為1、2、3、4m(其中2m為優選長度)
|
電接點壓力表適用于測量對銅合金無腐蝕、無爆炸危險、非結晶的各種液體、氣體等介質壓力。儀表經與相應的電氣器件配套使用,智能隔離器可達到對被測壓力系統實現預先設定的zui大或zui小壓力值的雙位自動控制和發信(報警)的目的。
儀表具有測量控制功能,可任意設定上、下限值,動作穩定可靠,在石油、化工、電站、冶金等工業企業及機電設備上廣泛配套使用。
|
|
結構原理
|
|
儀表由測量系統、指示裝置、磁助電接點裝置、外殼、調節裝置及接線盒等組成。
當被測壓力作用于彈簧管時,智能閃光報警儀其末端產生相應的彈性變形一位移,經傳動機構放大后,由指示裝置在度盤上指示出來。同時指針帶動電接點裝置的活動觸點與設定指針上的觸頭(上限或下限)相接觸的瞬時,智能閃光報警儀致使控制系統接通或斷開電路,以達到自動控制和發信報警的目的。
在電接點裝置的電接觸信號針上,裝有可調節的磁鋼,可以增加接點吸力,加快接觸動作,從而使觸點接觸可靠,無紙記錄儀消除電弧,能有效地避免儀表由于工作環境振動或介質壓力脈動造成觸點的頻繁關斷。所以該儀表具有動作可靠、使用壽命長、觸點開關功率較大等優點。
● 接點裝置電氣參數及控制形式
|
| 觸頭功率 |
zui高工作電壓 |
zui大工作電流
|
控制形式 |
| 30VA(阻性負載) |
220VDC或380VAC |
1A |
上下限、雙上限、雙下限 |
|
| 型號表示 |
|
|
|
|
|
MG-YXC-100
|
| 電氣電路連接示意圖 |
|
|
圖中:JZ1、JZ2—繼電器及觸點
CJ—接觸器及觸點 RJ—熱繼電器
M—電機 YX—電接點壓力表
L—下限接點(綠) H—上限接點(紅)
B—公共接點(黃) |
|
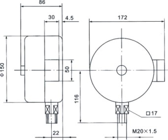
外形尺寸
|
|

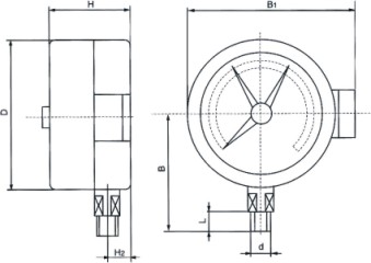
MG-YXC-100(1)、MG-YXC-150(1)

MG-YXC-100(2)、MG-YXC-150(2)
|
|

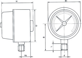
MG-YXC-100(1)ZT、MG-YXC-150(1)ZT

MG-YXC-100(2)ZT、MG-YXC-150(2)ZT
|
|

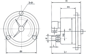
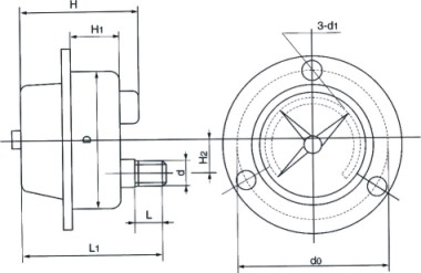
MG-YXC-150、MG-YXCA-150

MG-YXC-153
|
| 型號 |
D |
H |
H1 |
H2 |
d0 |
d |
d1 |
B |
B1 |
L |
L1 |
|
MG-YXC-60
|
φ60 |
46 |
|
13 |
|
M14×1.5 |
|
56 |
72 |
14 |
|
|
MG-YXC-100
|
φ100 |
95 |
|
17 |
|
M20×1.5 |
|
87 |
121 |
20 |
|
|
MG-YXC-100ZT
|
φ100 |
96 |
33 |
30 |
118 |
M20×1.5 |
5.5 |
|
|
20 |
115 |
|
MG-YXC-150
|
φ150 |
78 |
40 |
17 |
165 |
M20×1.5 |
5.5 |
113 |
150 |
20 |
|
|
MG-YXC-150ZT
|
φ150 |
78 |
40 |
30 |
165 |
M20×1.5 |
5.5 |
113 |
150 |
|
|
|
|
|
| |
|
| |
本頁產品地址:http://www.521uz.com/sell/show-160607.html

免責聲明:以上所展示的[
YXC磁助電接點壓力表]信息由會員[
江蘇美高儀表有限公司]自行提供,內容的真實性、準確性和合法性由發布會員負責。
[給覽網]對此不承擔任何責任。
友情提醒:為規避購買風險,建議您在購買相關產品前務必確認供應商資質及產品質量!