| 提交詢價信息 |
| 發布緊急求購 |
價格:電議
所在地:上海
型號:ACTB-1
更新時間:2012-05-11
瀏覽次數:1544
公司地址:上海市嘉定馬東工業園區育綠路253號
![]()
夏麗平(女士) 銷售經理
【企業概況】
安科瑞是上海安科瑞電氣股份有限公司的簡稱,創建于2003年6月23日,是一家集研發、生產、銷售于一體的高科技股份制企業。總部位于上海嘉定育綠路253號,是安科瑞的技術研發、系統集成及商務中心。在江陰設有生產制造基地,是智能電力儀表行業中首家采用SMT無鉛化先進生產工藝的廠家,為產品產業化、規?;瘜嵤┨峁┍U稀9局铝τ谥悄茈娋W用戶端智能電力監控和電能計量管理的研發與運用,為用戶端提供智能電力監控與電能管理系統、大型公建能耗監測系統、光伏電站電力監控系統、剩余電流式電氣火災監控系統和ZigBee(物聯網)無線網絡電能管理系統等解決方案,是智能電力儀表行業中的領先者之一。
【企業文化】
安科瑞精神:創新、高效、團結、誠信
安科瑞使命:自主創新、科技強國
安科瑞目標:立足中國,放眼世界,爭做一流智能配電供應商
安科瑞經營理念:為客戶創造價值
安科瑞發展理念:實事求是、解放思想、與時俱進
安科瑞管理理念:以人為本、科學管理
【組織結構】

【商號來源】
“安科瑞”是公司英文商標“ACREL”的諧音。而“ACREL”則為“Accurate Electric ”的縮寫,意為“精確電氣”。“
”圖案原意為方向與弓的組合,“
”表示公司發展方向為研發、制造精確、可靠電器產品。
【主營業務】
主要產品有智能電力監控儀表,智能馬達控制器、電量傳感器、導軌式安裝電表、火災監控裝置、數顯繼電器、電力監控系統、能耗監測系統,產品涵蓋了中低壓的電力監控與保護、電能節能管理、電氣安全三大領域:
1. 電力監控產品線
產品有PZ系列電力監控儀表、AMC16系列多路監控裝置、ARC功率因數自動補償控制儀、ARTU系列四遙裝置、ARTM系列溫度巡檢測控儀、ASJ系列智能電力繼電器、ARD系列智能馬達控制器、ACTB系列電流互感器過電壓保護器、WH系列溫濕度控制器、ASD系列開關柜測控裝置、M系列中壓保護裝置、Acrel-2000型10/0.4kV電力監控系統等12大系列。其中,PZ系列電力監控儀表,作為單一電量的“三遙”單元(遙測、遙信、遙控)使用;AMC16多回路監控裝置可測量同一母線電壓下多路單、三相電流、功率、電能、帶開關量和繼電器功能;ARC功率因數自動補償控制儀,6~12路控制,帶過壓保護、欠流鎖定功能;ARTU四遙單元,是傳統低壓配電實現遙測(電流)、遙信(開關量、斷路器、接觸器工作狀態)、遙控、遙脈(采集電能)的低成本智能化方案;ASJ智能電力繼電器,可對電機、線路、變壓器等場合的過/欠電流、或過/欠電壓等進行保護;ARD系列智能電動機保護與控制器,具有過載、斷相、不平衡、欠載、接地、漏電等保護功能;ASD開關柜測控裝置,具有中壓開關狀態指示、電參數測量、溫濕度控制、高壓帶電指示、人體感應報警等功能;Acrel-2000通過對電力儀表、中壓微機保護裝置進行組網,具有對10/0.4kV配電系統進行測量、計量、診斷、控制、保護等功能。
2. 電能管理產品線
產品對配電系統各個電氣節點進行電能計量,從中壓到低壓進線、出線、動力箱、照明箱均有對應電表。主要有導軌式安裝電表,ACR多功能電能表,ZigBee集抄系統,Acrel-3000電能管理系統。其中,導軌式安裝電表,采用DIN35mm導軌安裝,應用于終端電能計量;ACR多功能電能表,34項電參數測量,四象限電能計量;2-31諧波及其它電能質量分析;ZigBee(物聯網)集抄系統,是一種利用zigbee低功耗、低成本、低數據速率、低復雜度的無線網絡技術,方便企業內部電能無線集抄;Acrel-3000能耗監測系統對大型公建與機關單位照明與插座用電、空調用電、動力用電、特殊用電進行分項計量,做到數據先于決策、節電始于計量,為電能節能審計提供依據。
3. 電氣安全產品線
產品有ARCM剩余電流式電氣火災監控裝置、Acrel-6000電氣火災監控系統。其中,ARCM剩余電流式電氣火災監控裝置具有剩余電流在線監測,電氣火災提前報警,配電系統實時監控,電能計量(含諧波電能)全面管理,“三表合一”,節省投資成本。

圖 1 產品樣柜
【解決方案】
公司產品主要應用于智能電網用戶端智能電力監控和電能計量管理。解決方案有:
1. Acrel-2000型廠礦10/0.4kV智能配電監控系統;
2. Acrel-3000型電能管理系統;
3. Acrel-5000型政府機關與大型公建能耗監測系統;
4. Acrel-6000型剩余電流式電氣火災監控系統;
5. 光伏電站電力監控系統;
6. 數據信息中心機房電源監控管理系統。
【研發實力】
公司擁有上海市區級技術中心,設有3個研發部、1個中試部、1個技術管理部,以及多個公用技術設計部。截止2010年,擁有100多項技術專利和自主知識產權。2007年公司網絡電力儀表列為國家重點新產品;2009年1月獲上海市“著名商標”稱號、“高新技術自主創新”品牌;2010年被評為“上海市專利工作示范企業”,公司的可編程測控數顯智能表、多回路監控裝置、可再生能源風力發電電力監控裝置、單相電子式復費率電能表先后被列為上海市重點新產品。參與起草的標準有:JB/T 10736-2007《低壓電動機保護器》、GB/T 15576-2008《低壓成套無功功率補償裝置》、GB/T 22387-2008《剩余電流動作繼電器》、GB/Z 6829-2008《剩余電流動作保護器的一般要求》、GB/T 22264.X-2008《安裝式數字顯示電測量儀表》等5項;AMC系列多回路監控裝置、ACR系列網絡電力儀表獲國際標準產標證書;“智能電網用戶端能源管理表計系統研究”列為上??莆龀猪椖浚ň幪枺?9DZ1206202),“1/4抽屜柜智能馬達管理單元的研發和產業化”列為國家科技部科技特派員項目(編號:2009GJC00023),從2003年至今,在專業雜志上發表技術論文45篇,在中國電力出版社出版《電力電測數字儀表原理與應用指南》,今后公司將更進一步提升科技創新能力和水平,實現創建中國品牌企業的戰略目標。

圖 2 技術中心屋頂花園
【生產基地】
江蘇安科瑞電器制造有限公司,始建于2007年,位于江陰市南閘鎮東盟科技園,占地34畝,廠房10000平方米。主要研發生產智能網絡儀表、多功能電能計量儀表、電量傳感器、智能馬達保護裝置等用戶端智能化電力設備。擁有2條全自動無鉛工藝SMT生產線。是江蘇省高新技術企業。

圖 3 防靜電凈化廠房SMT線
【企業榮譽】
2005年認定為上海市軟件企業;
2006年認定為上海市優秀軟件企業;
2007年認定為上海市品牌企業;第二十一屆上海市優秀發明選拔賽一等獎;
2008年認定為上海市高新技術企業;上海市科技小巨人培育企業;上海市守合同重信用企業;
2009商標 被認定為上海著名商標;通過ISO9001:2008質理管理體系認證;
2010年認定為上海市專利工作示范企業;計算機信息系統集成資質。

圖 4 展廳
【典型業績】
2008北京奧運會開幕式/閉幕式臨時配電中心、羽毛球場館、五棵松體育館、殘疾人場館、奧運地鐵支線等(見圖5)。

圖 5
2010年上海世博會項目中,為以色列館、加拿大館、VIP酒店、通用企業館、餐飲中心等多個場館提供了電力監控儀表與電能管理系統(見圖6)。

圖 6
廣州亞運會上,參與的項目有開幕式/閉幕式臨時配電中心、羽毛球館、跳水游泳館等,用了大量的剩余電流式電氣火災監控裝置及電力儀表(見圖7)。

圖 7
另外還有京津高鐵、浦東機場二期、中船龍穴、敦煌10MW光伏示范電站、中國銀行浦東數據中心、哥斯達黎加國家體育館等項目。
1 概述
電流互感器(簡稱CT)在運行中如果二次繞組開路或一次繞組流過異常電流(如雷電流、諧振過電流,電容充電電流、電感啟動電流等),都會在二次側產生數千伏甚至上萬伏的過電壓。這不僅會使CT和二次設備損壞,也嚴重威脅運行人員的生命安全,并造成重大經濟損失。采用電流互感器二次過電壓保護器(簡稱ACTB),就能夠有效防止因電流互感器二次側異常高電壓引起的事故。我公司生產的ACTB主要應用于各種CT二次側的異常過電壓保護。正常工作時,互感器二次側處于近似短路狀態,輸出電壓很低,一旦CT二次開路,出現異常尖峰過電壓時它能立即響應限壓,延時短路,從而起到保護作用,并且在面板上顯示故障的部位,并有無源節點信號輸出。電路故障排除后,重新正常工作。與同行比較我公司生產的ACTB具備輸入電路保護功能,輔助電源交直流通用,工作范圍寬等優點。
保護器應用于各種CT二次側的差動繞組、過流繞組、測量繞組、母線保護繞組、備用繞組等。
2 型號說明

3 技術參數

4 外形及尺寸
ACTB-1

ACTB-3

ACTB-6

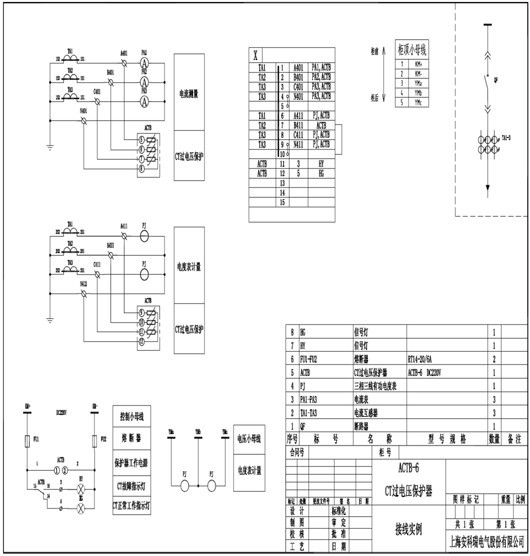
5 接線端子
一般情況下,互感器均連接在A、B、C三相上,少數連接在兩相上,個別連接在一相上。絕大多數均為星形連接,少數三角形連接。本產品電流互感器為二次繞組星形連接。二次繞組A、B、C對應連接在保護器A、B、C接線端子上。若只用A、B繞組,C相可以不接線,不會影響保護器的正常工作。
ACTB-1

ACTB-3

ACTB-6

6 應用方案

想了解更多信息,請聯系我們!
公 司:上海安科瑞電氣股份有限公司
地 址:上海嘉定馬東工業園區育綠路253號
:夏麗平
電 話:
手 機:
Q Q:1907079369
郵 箱:
郵 編:201801
免責聲明:以上所展示的[ACTB-1 電流互感器過電壓保護器]信息由會員[上海安科瑞電氣股份有限公司電子商務部]自行提供,內容的真實性、準確性和合法性由發布會員負責。